
Ac voltmeter wiring diagram. Full wave rectifier and dc voltmeter. Main advantages associated with these voltmeters are that they are simple in construction have high input impedance low power consumption and uniform scale. The block diagram of ac voltmeter using full wave rectifier is shown in below figure.
3 phase ac voltage electrical wiring diagrams welcome to my internet site this article will certainly discuss regarding 3 phase ac voltage electrical wiring diagrams. Main disadvantage of these voltmeters is. We have collected many photos ideally this picture is useful for you and aid you in locating the response you are seeking.
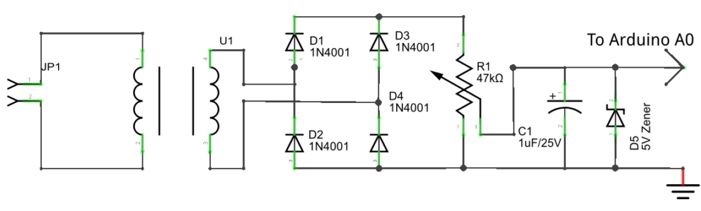
Digital ac voltmeter i wanted a digital ac voltmeter to measure the output range from 0 to 150vac with reasonable accuracy. Calibration the voltmeter is calibrated at the factory and recalibration should never be necessary. So the circuit diagram of ac voltmeter using full wave rectifier will look like as shown in.
Sure i could buy some premade dvm packages or use a microcontroller with a built in adc but i wanted to make one from scratch myself using readily available parts i had on hand. The above block diagram consists of two blocks. However if adjustment does become necessary the needle may be reset to the zero mark.
Circuit diagram of an average reading ac voltmeter using semi conductor diodes as a full wave rectifier is shown in figure. This screw activates a small cam that de ects the meter needle.