Alimentatore Pc Fisso Schema Elettrico

A2 Hardware

A2 Hardware

Come Sfruttare Un Alimentatore Atx Da Pc Per Ottenere Diverse Tensioni Youtube

Come Sfruttare Un Alimentatore Atx Da Pc Per Ottenere Diverse Tensioni Youtube

Switching Power Supply Atx 13 8v Semplici Modifiche Per Aumentare La Tensione In Uscita How To Modify A Computer Atx Power Supply To A 13 80 Volt Supply By Roberto Chirio

Switching Power Supply Atx 13 8v Semplici Modifiche Per Aumentare La Tensione In Uscita How To Modify A Computer Atx Power Supply To A 13 80 Volt Supply By Roberto Chirio

Trasformare Un Alimentatore Atx Di Un Pc In Alimentatore Multiuso

Trasformare Un Alimentatore Atx Di Un Pc In Alimentatore Multiuso

Www Lucifora Net Alimentatore Pc

Www Lucifora Net Alimentatore Pc

Come Montare L Alimentatore Assemblare Pc Online

Come Montare L Alimentatore Assemblare Pc Online

Switching Power Supply Atx Come Realizzare Un Sps Da Laboratorio How To Convert A Computer Atx Power Supply To A Laboratory Power Supply Da 1 0v A 15v E Da 0 15a A 15a

Switching Power Supply Atx Come Realizzare Un Sps Da Laboratorio How To Convert A Computer Atx Power Supply To A Laboratory Power Supply Da 1 0v A 15v E Da 0 15a A 15a

Switching Power Supply Atx Come Realizzare Un Sps Da Laboratorio How To Convert A Computer Atx Power Supply To A Laboratory Power Supply Da 1 0v A 15v E Da 0 15a A 15a

Switching Power Supply Atx Come Realizzare Un Sps Da Laboratorio How To Convert A Computer Atx Power Supply To A Laboratory Power Supply Da 1 0v A 15v E Da 0 15a A 15a

Alimentatore Microset Micro 235 Schema Elettrico E Modifica Electroyou

Alimentatore Microset Micro 235 Schema Elettrico E Modifica Electroyou

Switching Power Supply Atx Come Realizzare Un Sps Da Laboratorio How To Convert A Computer Atx Power Supply To A Laboratory Power Supply Da 1 0v A 15v E Da 0 15a A 15a

Switching Power Supply Atx Come Realizzare Un Sps Da Laboratorio How To Convert A Computer Atx Power Supply To A Laboratory Power Supply Da 1 0v A 15v E Da 0 15a A 15a

Modificare 12volt Pc

Modificare 12volt Pc

Semplice Riutilizzo Creativo Di Un Alimentatore Atx Da Pc Per Farne Uno Da Banco Molto Utile Pe Fai Da Te Elettronica Electronics Projects Ingegneria Elettrica

Semplice Riutilizzo Creativo Di Un Alimentatore Atx Da Pc Per Farne Uno Da Banco Molto Utile Pe Fai Da Te Elettronica Electronics Projects Ingegneria Elettrica

Alimentatore Duale Circuito Elettronica Generica Plc Forum

Alimentatore Duale Circuito Elettronica Generica Plc Forum

Le Migliori 20 Immagini Su Alimentatore Pc Nel 2020 Fai Da Te Elettronica Elettronica Elettricita

Le Migliori 20 Immagini Su Alimentatore Pc Nel 2020 Fai Da Te Elettronica Elettronica Elettricita

Tutorial Accendere Alimentatore Atx Senza Scheda Madre Youtube

Tutorial Accendere Alimentatore Atx Senza Scheda Madre Youtube

Alimentatore Atx Da Laboratorio Danilo Larizza

Alimentatore Atx Da Laboratorio Danilo Larizza

Come Scegliere Un Alimentatore Per Pc Infoced

Come Scegliere Un Alimentatore Per Pc Infoced

Alimentatore Universale Pc Per Avere Sempre La Carica Consigli It

Alimentatore Universale Pc Per Avere Sempre La Carica Consigli It

Come Montare L Alimentatore Assemblare Pc Online

Come Montare L Alimentatore Assemblare Pc Online

Trasformare Un Alimentatore Atx Di Un Pc In Alimentatore Multiuso

Trasformare Un Alimentatore Atx Di Un Pc In Alimentatore Multiuso

Come Accendere Un Alimentatore Senza Ausilio Del Pc Very Tech

Come Accendere Un Alimentatore Senza Ausilio Del Pc Very Tech

Www Lucifora Net Alimentatore Pc

Www Lucifora Net Alimentatore Pc

Alimentatore Fai Da Te Electroyou

Alimentatore Fai Da Te Electroyou

Collegare Cavi Del Case E Alimentatore Alla Scheda Madre Montare Pc Fisso Fai Da Te Parte 9 Youtube

Collegare Cavi Del Case E Alimentatore Alla Scheda Madre Montare Pc Fisso Fai Da Te Parte 9 Youtube

A2 Alimentatori Atx

A2 Alimentatori Atx

Switching Power Supply Atx Come Realizzare Un Sps Da Laboratorio How To Convert A Computer Atx Power Supply To A Laboratory Power Supply Da 1 0v A 15v E Da 0 15a A 15a

Switching Power Supply Atx Come Realizzare Un Sps Da Laboratorio How To Convert A Computer Atx Power Supply To A Laboratory Power Supply Da 1 0v A 15v E Da 0 15a A 15a

Come Sfruttare Un Alimentatore Atx Da Pc Per Ottenere Diverse Tensioni Youtube

Come Sfruttare Un Alimentatore Atx Da Pc Per Ottenere Diverse Tensioni Youtube

Testare Un Alimentatore Per Pc Vuoto Inquieto

Testare Un Alimentatore Per Pc Vuoto Inquieto

Come Montare L Alimentatore Del Pc Informatica Per Tutti

Come Montare L Alimentatore Del Pc Informatica Per Tutti

Molex Connettore Wikipedia

Molex Connettore Wikipedia

Switching Power Supply Atx Come Realizzare Un Sps Da Laboratorio How To Convert A Computer Atx Power Supply To A Laboratory Power Supply Da 1 0v A 15v E Da 0 15a A 15a

Switching Power Supply Atx Come Realizzare Un Sps Da Laboratorio How To Convert A Computer Atx Power Supply To A Laboratory Power Supply Da 1 0v A 15v E Da 0 15a A 15a

Power Supplies Corsair

Power Supplies Corsair

Come Costruire Un Alimentatore Stabilizzato Esperimentanda

Come Costruire Un Alimentatore Stabilizzato Esperimentanda

Switching Power Supply Atx Come Realizzare Un Sps Da Laboratorio How To Convert A Computer Atx Power Supply To A Laboratory Power Supply Da 1 0v A 15v E Da 0 15a A 15a

Switching Power Supply Atx Come Realizzare Un Sps Da Laboratorio How To Convert A Computer Atx Power Supply To A Laboratory Power Supply Da 1 0v A 15v E Da 0 15a A 15a

Switching Power Supply Atx Come Realizzare Un Sps Da Laboratorio How To Convert A Computer Atx Power Supply To A Laboratory Power Supply Da 1 0v A 15v E Da 0 15a A 15a

Switching Power Supply Atx Come Realizzare Un Sps Da Laboratorio How To Convert A Computer Atx Power Supply To A Laboratory Power Supply Da 1 0v A 15v E Da 0 15a A 15a

Alimentatore Elettrico Wikipedia

Alimentatore Elettrico Wikipedia

Switching Power Supply Atx Come Realizzare Un Sps Da Laboratorio How To Convert A Computer Atx Power Supply To A Laboratory Power Supply Da 1 0v A 15v E Da 0 15a A 15a

Switching Power Supply Atx Come Realizzare Un Sps Da Laboratorio How To Convert A Computer Atx Power Supply To A Laboratory Power Supply Da 1 0v A 15v E Da 0 15a A 15a

Atx Meter

Atx Meter

Www Lucifora Net Alimentatore Pc

Www Lucifora Net Alimentatore Pc

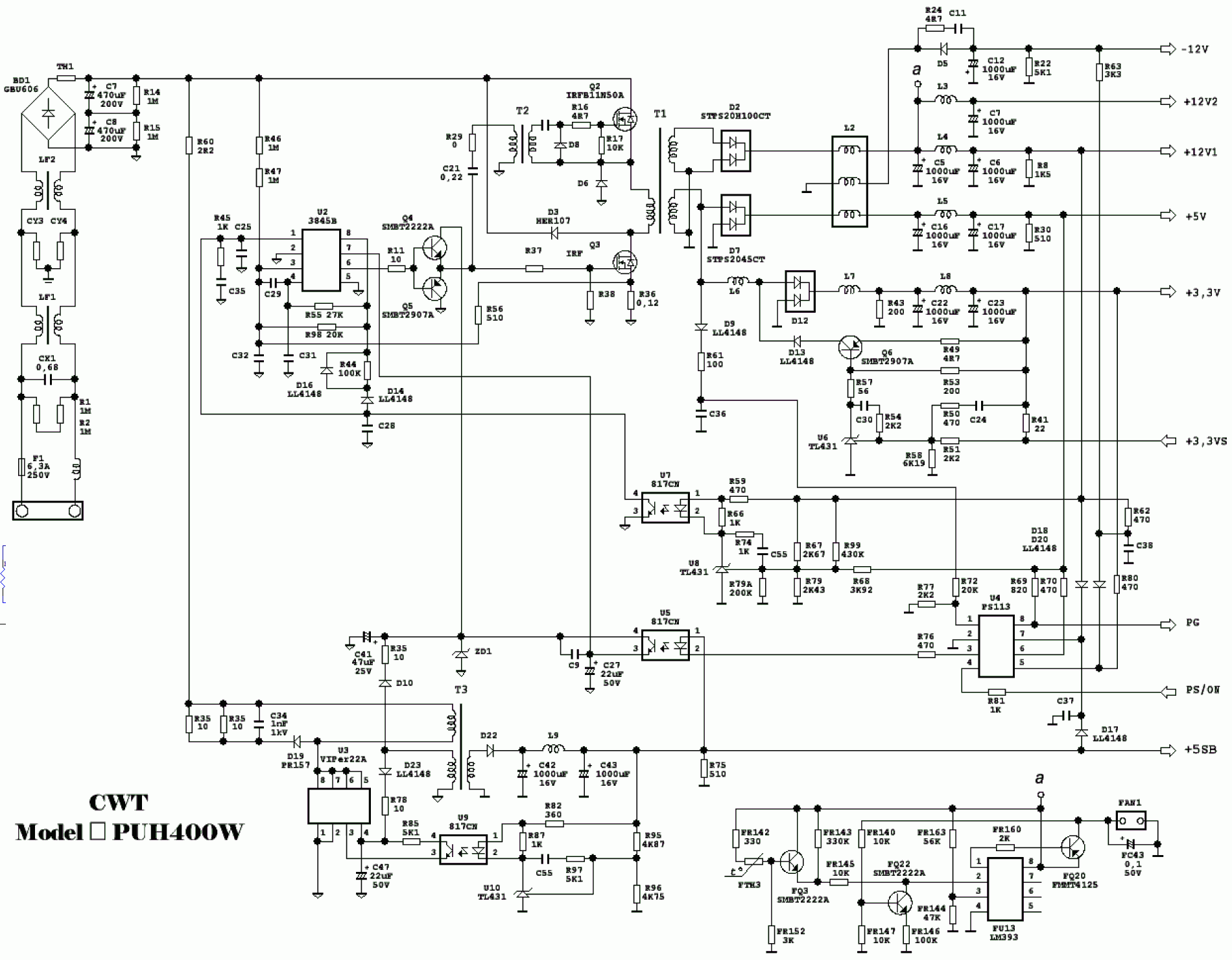
Schema Elettrico Alimentatore Pc Atx Fare Di Una Mosca

Schema Elettrico Alimentatore Pc Atx Fare Di Una Mosca

Guida Come Riparare Il Caricatore Di Un Portatile Very Tech

Guida Come Riparare Il Caricatore Di Un Portatile Very Tech

Modifica Alimentatore Pc Con Feedback Su Piu Tensioni Baronerosso It Forum Modellismo

Modifica Alimentatore Pc Con Feedback Su Piu Tensioni Baronerosso It Forum Modellismo

Come Montare L Alimentatore Assemblare Pc Online

Come Montare L Alimentatore Assemblare Pc Online

Pre Regolatore Di Tensione Per Alimentatori Stabilizzati

Pre Regolatore Di Tensione Per Alimentatori Stabilizzati

Riparare Un Atx Switching Power Supply Electroyou

Riparare Un Atx Switching Power Supply Electroyou

Come Montare L Alimentatore All Interno Del Case Di Un Pc Fisso Fai Da Te Parte 2 Youtube

Come Montare L Alimentatore All Interno Del Case Di Un Pc Fisso Fai Da Te Parte 2 Youtube

Trasformare Un Alimentatore Atx Di Un Pc In Alimentatore Multiuso

Trasformare Un Alimentatore Atx Di Un Pc In Alimentatore Multiuso

Elettronica Progetto Trasforma Il Psu In Un Alimentatore Da Banco

Elettronica Progetto Trasforma Il Psu In Un Alimentatore Da Banco

A2 Alimentatori Atx

A2 Alimentatori Atx

Alimentatore Atx Da Laboratorio Danilo Larizza

Alimentatore Atx Da Laboratorio Danilo Larizza

Semplice Riutilizzo Creativo Di Un Alimentatore Atx Da Pc Per Farne Uno Da Banco Molto Utile Per Utili Fai Da Te Elettronica Ingegneria Elettronica Elettronica

Semplice Riutilizzo Creativo Di Un Alimentatore Atx Da Pc Per Farne Uno Da Banco Molto Utile Per Utili Fai Da Te Elettronica Ingegneria Elettronica Elettronica

L Alimentatore Guida Pc Completa

L Alimentatore Guida Pc Completa

Switching Power Supply Atx Come Realizzare Un Sps Da Laboratorio How To Convert A Computer Atx Power Supply To A Laboratory Power Supply Da 1 0v A 15v E Da 0 15a A 15a

Switching Power Supply Atx Come Realizzare Un Sps Da Laboratorio How To Convert A Computer Atx Power Supply To A Laboratory Power Supply Da 1 0v A 15v E Da 0 15a A 15a

Cavi Dell Alimentatore Colorati Perche Tech In Pillole Tech Hardware

Cavi Dell Alimentatore Colorati Perche Tech In Pillole Tech Hardware

Come Riutilizzare Alimentatore Computer Fisso Tutorial Youtube Fai Da Te Elettronica Electronics Projects Ingegneria Elettronica

Come Riutilizzare Alimentatore Computer Fisso Tutorial Youtube Fai Da Te Elettronica Electronics Projects Ingegneria Elettronica

Le Ventole Del Pc Panix Websiting

Le Ventole Del Pc Panix Websiting

Alimentatore Fai Da Te Electroyou

Alimentatore Fai Da Te Electroyou

Testare Un Alimentatore Per Pc Vuoto Inquieto

Testare Un Alimentatore Per Pc Vuoto Inquieto

Alimentatore Universale Pc Per Avere Sempre La Carica Consigli It

Alimentatore Universale Pc Per Avere Sempre La Carica Consigli It

Alimentatore Fai Da Te Electroyou

Alimentatore Fai Da Te Electroyou

A2 Alimentatori Atx

A2 Alimentatori Atx

Alimentatore Microset Micro 235 Schema Elettrico E Modifica Electroyou

Alimentatore Microset Micro 235 Schema Elettrico E Modifica Electroyou

Trasformare Un Alimentatore Da Pc In Alimentatore Generico Da Laboratorio Youtube

Trasformare Un Alimentatore Da Pc In Alimentatore Generico Da Laboratorio Youtube

Alimentatore Stabilizzato 12v 8a Arivigevano

Alimentatore Stabilizzato 12v 8a Arivigevano

A2 Hardware

A2 Hardware

L Alimentatore Guida Pc Completa

L Alimentatore Guida Pc Completa

Guida Definitiva Ai Cavi Del Pc Adattatori Sdoppiatori Assemblare Pc Online

Guida Definitiva Ai Cavi Del Pc Adattatori Sdoppiatori Assemblare Pc Online

Aiuto Per Cambio Alimentatore Su Scheda Madre Hp Hardware Upgrade Forum

Aiuto Per Cambio Alimentatore Su Scheda Madre Hp Hardware Upgrade Forum

Mostra Storia Dell Informatica

Mostra Storia Dell Informatica

A2 Alimentatori Atx

A2 Alimentatori Atx

Testare Un Alimentatore Per Pc Vuoto Inquieto

Testare Un Alimentatore Per Pc Vuoto Inquieto

Testare Un Alimentatore Per Pc Vuoto Inquieto

Testare Un Alimentatore Per Pc Vuoto Inquieto

A2 Alimentatori Atx

A2 Alimentatori Atx

A2 Alimentatori Atx

A2 Alimentatori Atx

Schemi Di Circuiti Elettronici Chiesti Dai Visitatori

Schemi Di Circuiti Elettronici Chiesti Dai Visitatori

Trasformare Un Alimentatore Atx Di Un Pc In Alimentatore Multiuso

Trasformare Un Alimentatore Atx Di Un Pc In Alimentatore Multiuso

Pieraisa 327 Come Variare La Tensione Di Uscita Di Un Alimentatore Atx Youtube

Pieraisa 327 Come Variare La Tensione Di Uscita Di Un Alimentatore Atx Youtube

Cambiare Alimentatore Del Pc Cavi Collegamenti E Connettori Navigaweb Net

Cambiare Alimentatore Del Pc Cavi Collegamenti E Connettori Navigaweb Net

Schema Elettrico Alimentatore Pc Atx 24 Pin 20 Pin E Schema Accensione Alimentatore Youtube

Schema Elettrico Alimentatore Pc Atx 24 Pin 20 Pin E Schema Accensione Alimentatore Youtube

Riparazione Alimentatori Switching

Riparazione Alimentatori Switching

Alimentatore Atx Da Laboratorio Danilo Larizza

Alimentatore Atx Da Laboratorio Danilo Larizza

Schema Elettrico Alimentatore Pc Atx Fare Di Una Mosca

Schema Elettrico Alimentatore Pc Atx Fare Di Una Mosca

Come Riutilizzare Alimentatore Computer Fisso Tutorial Youtube

Come Riutilizzare Alimentatore Computer Fisso Tutorial Youtube

Modificare 12volt Pc

Modificare 12volt Pc

Le Ventole Del Pc Panix Websiting

Le Ventole Del Pc Panix Websiting

Le Migliori 20 Immagini Su Alimentatore Pc Nel 2020 Fai Da Te Elettronica Elettronica Elettricita

Le Migliori 20 Immagini Su Alimentatore Pc Nel 2020 Fai Da Te Elettronica Elettronica Elettricita

Alimentatore Per Pc Astec At 200w Tom S Hardware Italia

Alimentatore Per Pc Astec At 200w Tom S Hardware Italia

Modificare 12volt Pc

Modificare 12volt Pc

Uso Ed Abuso Del Ir2153 Per Alimentatori Fino A 1 5kw Elettroamici

Uso Ed Abuso Del Ir2153 Per Alimentatori Fino A 1 5kw Elettroamici

Come Scegliere Un Alimentatore Per Pc Infoced

Come Scegliere Un Alimentatore Per Pc Infoced

Switching Power Supply Atx 13 8v Semplici Modifiche Per Aumentare La Tensione In Uscita How To Modify A Computer Atx Power Supply To A 13 80 Volt Supply By Roberto Chirio

Switching Power Supply Atx 13 8v Semplici Modifiche Per Aumentare La Tensione In Uscita How To Modify A Computer Atx Power Supply To A 13 80 Volt Supply By Roberto Chirio

Fsp Alimentatore Psu Fsp300 60pfn Batteria Portatile

Fsp Alimentatore Psu Fsp300 60pfn Batteria Portatile

Schema Elettrico Alimentatore Pc Atx Fare Di Una Mosca

Schema Elettrico Alimentatore Pc Atx Fare Di Una Mosca

Testare Un Alimentatore Per Pc Vuoto Inquieto

Testare Un Alimentatore Per Pc Vuoto Inquieto

Trasformare Un Alimentatore Atx Di Un Pc In Alimentatore Multiuso

Trasformare Un Alimentatore Atx Di Un Pc In Alimentatore Multiuso

Switching Power Supply Atx 13 8v Semplici Modifiche Per Aumentare La Tensione In Uscita How To Modify A Computer Atx Power Supply To A 13 80 Volt Supply By Roberto Chirio

Switching Power Supply Atx 13 8v Semplici Modifiche Per Aumentare La Tensione In Uscita How To Modify A Computer Atx Power Supply To A 13 80 Volt Supply By Roberto Chirio

Guida Ai Componenti L Alimentatore Hardware Ready

Guida Ai Componenti L Alimentatore Hardware Ready

In Africa Pirografo

In Africa Pirografo

Alimentatore Fai Da Te Electroyou

Alimentatore Fai Da Te Electroyou

Profitec Alimentatore Universale A Dc 9 V 12 V 13 5 V 15 V 18 V 20 V 24 V 1500 Ma Stabilizzato Max Amazon It Elettronica

Profitec Alimentatore Universale A Dc 9 V 12 V 13 5 V 15 V 18 V 20 V 24 V 1500 Ma Stabilizzato Max Amazon It Elettronica

Random Posts

  • Elektrische Verriegelung Schaltplan
  • Elektrisch Schema Koelkast
  • Schema De Branchement Volet Roulant Electrique
  • Schema Cablage Vitre Electrique Clio 2
  • Schema Elettrico Urmet 1130