Cableado Diagrama Electrico De Aire Acondicionado Automotriz Pdf

Diagrama De Aire Acondicionado Automotriz Toyota Refrigeration And Air Conditioning Electrical Installation Electricity

Diagrama De Aire Acondicionado Automotriz Toyota Refrigeration And Air Conditioning Electrical Installation Electricity

Toyota Corolla Manuales Y Diagramas Electricos Automotriz Portal Informatico

Toyota Corolla Manuales Y Diagramas Electricos Automotriz Portal Informatico

Diagrama Electrico Toyota Echo 2000 1 Toyota Echo Toyota Cars Toyota

Diagrama Electrico Toyota Echo 2000 1 Toyota Echo Toyota Cars Toyota

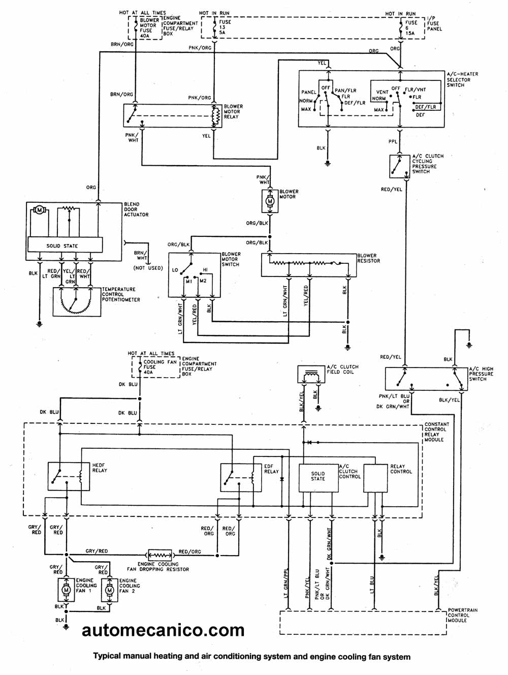
T680 T880 Aire Acondicionado Hvac Pdf Caldera Contaminacion

T680 T880 Aire Acondicionado Hvac Pdf Caldera Contaminacion

Cableado Del Automotor Circuitos

Cableado Del Automotor Circuitos

Cableado Electrico

Cableado Electrico

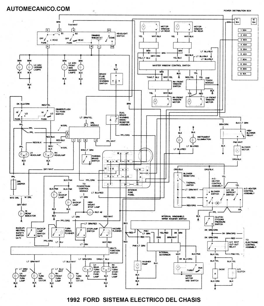
Ford Explorer 1992 99 Diagramas Esquemas Graphics

Ford Explorer 1992 99 Diagramas Esquemas Graphics

206 Mux Diagrama De Cableados Electricos Parte 1 En Castellano

206 Mux Diagrama De Cableados Electricos Parte 1 En Castellano

Manual Del Tsuru Sistema De Enfriamiento

Manual Del Tsuru Sistema De Enfriamiento

Cableado Electrico

Cableado Electrico

Cableado Electrico

Cableado Electrico

Diagrama Cableado Ism Pdf

Diagrama Cableado Ism Pdf

Aire Acondicionado Del Vehiculo Funcionamiento Y Reparacion Hella

Aire Acondicionado Del Vehiculo Funcionamiento Y Reparacion Hella

Diagrama Electrico Y Manual De Usuario De Nissan Primera P11

Diagrama Electrico Y Manual De Usuario De Nissan Primera P11

Diagrama Electrico Y Manual Completo De Toyota Yaris 2019

Diagrama Electrico Y Manual Completo De Toyota Yaris 2019

Pin En Refrigeracion

Pin En Refrigeracion

Aire Acondicionado Automotriz Diagrama Electrico Basico Youtube

Aire Acondicionado Automotriz Diagrama Electrico Basico Youtube

Calameo Manual De Aire Acondicionado Manuales Y Diagramas Vaf

Calameo Manual De Aire Acondicionado Manuales Y Diagramas Vaf

Renault 21 Indice

Renault 21 Indice

Sistema Electrico Automotriz Youtube

Sistema Electrico Automotriz Youtube

Diagrama Electrico De Aire Acondicionado De Ventana 220v Friolandia Service Aire Acondicionado De Ventana Acondicionado Aire Acondicionado

Diagrama Electrico De Aire Acondicionado De Ventana 220v Friolandia Service Aire Acondicionado De Ventana Acondicionado Aire Acondicionado

Http Ftp Artofproblemsolving Com Cgi Viewcontent Php Article Manual De Taller Hyundai Excel 88 Context Libpubs

Http Ftp Artofproblemsolving Com Cgi Viewcontent Php Article Manual De Taller Hyundai Excel 88 Context Libpubs

Cableado Electrico

Cableado Electrico

Hyundai 1986 97 Diagramas Esquemas Graphics

Hyundai 1986 97 Diagramas Esquemas Graphics

Inicia Hoy Tu Curso De Aire Acondicionado Automotriz Intensivo

Inicia Hoy Tu Curso De Aire Acondicionado Automotriz Intensivo

Pdf Manual Toyota Corolla 92 97 Copia Conflictiva De Cimawf Bryan Pichardo Academia Edu

Pdf Manual Toyota Corolla 92 97 Copia Conflictiva De Cimawf Bryan Pichardo Academia Edu

Aire Acondicionado Nissan Sentra

Aire Acondicionado Nissan Sentra

Diagramas Electricos Automotrices Chrysler 5 Toyota Echo Toyota Camry Toyota Corolla

Diagramas Electricos Automotrices Chrysler 5 Toyota Echo Toyota Camry Toyota Corolla

Principales Fallas Y Soluciones En Equipos Residenciales Revista Cero Grados

Principales Fallas Y Soluciones En Equipos Residenciales Revista Cero Grados

Pdf Curso Completo Manual De Diagramas De Cableado De Vehiculos Descarga Gratui Mecanica De Motos Curso De Mecanica Automotriz Libros De Mecanica Automotriz

Pdf Curso Completo Manual De Diagramas De Cableado De Vehiculos Descarga Gratui Mecanica De Motos Curso De Mecanica Automotriz Libros De Mecanica Automotriz

Hyundai 1986 97 Diagramas Esquemas Graphics

Hyundai 1986 97 Diagramas Esquemas Graphics

Como Probar Sensor De Presion De Aire Acondicionado Automotriz

Como Probar Sensor De Presion De Aire Acondicionado Automotriz

Manual Sistema Volkswagen Golf

Manual Sistema Volkswagen Golf

Http Www Juntadeandalucia Es Averroes Centros Tic 21700502 Moodle Mod Resource View Php Inpopup True Id 4127

Http Www Juntadeandalucia Es Averroes Centros Tic 21700502 Moodle Mod Resource View Php Inpopup True Id 4127

Instalacion Electrica De La Moto Manual Para Novatos Soymotero Net

Instalacion Electrica De La Moto Manual Para Novatos Soymotero Net

Como Probar Sensor De Presion De Aire Acondicionado Automotriz

Como Probar Sensor De Presion De Aire Acondicionado Automotriz

Aire Acondicionado Nissan Versa Diagrama Electrico Diagrama De Ductos Y Manual Pdf

Aire Acondicionado Nissan Versa Diagrama Electrico Diagrama De Ductos Y Manual Pdf

Https Www Toshiba Aire Es Catalogos Catalogo Vrf Pdf

Https Www Toshiba Aire Es Catalogos Catalogo Vrf Pdf

Pdf Electricidad Residencial Manualesydiagramas Hector Hhhhhhh Academia Edu

Pdf Electricidad Residencial Manualesydiagramas Hector Hhhhhhh Academia Edu

Pin En Refrigeracion

Pin En Refrigeracion

39bik 6p8kwkom

39bik 6p8kwkom

Diagrama Y Sistema Electrico De Moto Honda Vt 250 Guia Reparacion Y Desarme Pdf

Diagrama Y Sistema Electrico De Moto Honda Vt 250 Guia Reparacion Y Desarme Pdf

Pin En Hvac Refrigeration And Air Conditioning

Pin En Hvac Refrigeration And Air Conditioning

Manual De Sistema De Aire Acondicionado Ii De Hyundai Atos Mecanica Automotriz

Manual De Sistema De Aire Acondicionado Ii De Hyundai Atos Mecanica Automotriz

Http Whirlpool Latam S3 Amazonaws Com Wp Content Uploads 2016 04 User Guide Wb230ab Wb245ab Wb255ab Pdf

Http Whirlpool Latam S3 Amazonaws Com Wp Content Uploads 2016 04 User Guide Wb230ab Wb245ab Wb255ab Pdf

Http Www Juntadeandalucia Es Averroes Centros Tic 21700502 Moodle Mod Resource View Php Inpopup True Id 4127

Http Www Juntadeandalucia Es Averroes Centros Tic 21700502 Moodle Mod Resource View Php Inpopup True Id 4127

Cableado Electrico

Cableado Electrico

Diagramas De Refrigeracion Blog Quimobasicos

Diagramas De Refrigeracion Blog Quimobasicos

Diagrama Electrico De Aire Acondicionado De Ventana 220v Friolandia Service Aire Acondicionado De Ventana Aire Acondicionado Acondicionado

Diagrama Electrico De Aire Acondicionado De Ventana 220v Friolandia Service Aire Acondicionado De Ventana Aire Acondicionado Acondicionado

Cableado Electrico

Cableado Electrico

Manual De Sistema De Aire Acondicionado De Hyundai Atos Mecanica Automotriz

Manual De Sistema De Aire Acondicionado De Hyundai Atos Mecanica Automotriz

Circuitos Electricos Automotriz Pdf To Excel Xagv Gaatabbun Site

Circuitos Electricos Automotriz Pdf To Excel Xagv Gaatabbun Site

Componentes Pagina 22 De 30 Mecanica Automotriz

Componentes Pagina 22 De 30 Mecanica Automotriz

Manual Sistema Volkswagen Golf

Manual Sistema Volkswagen Golf

Manual Aires Acondicionados

Manual Aires Acondicionados

Diagramas Y Manuales De Servicio De Autos Chevrolet

Diagramas Y Manuales De Servicio De Autos Chevrolet

Chevrolet Gmc Diagramas Esquemas Graphics

Chevrolet Gmc Diagramas Esquemas Graphics

Pin By Jesus Noe Ychu On Avtodiagnostika In 2020 Toyota Corolla Toyota Echo Toyota

Pin By Jesus Noe Ychu On Avtodiagnostika In 2020 Toyota Corolla Toyota Echo Toyota

Https Silo Tips Download Presentacion Tecnica

Https Silo Tips Download Presentacion Tecnica

Http Www Trane Com Content Dam Trane Commercial Lar Es Product Systems Dx 20residencial Equipos 20piso Techo 20 U Match Iom Piso Techo 20manual 20de 20instalaci C3 B3n 20 Espa C3 B1ol Pdf

Http Www Trane Com Content Dam Trane Commercial Lar Es Product Systems Dx 20residencial Equipos 20piso Techo 20 U Match Iom Piso Techo 20manual 20de 20instalaci C3 B3n 20 Espa C3 B1ol Pdf

Manual Diagrama Electrico Chevrolet Aveo Emotion Koreaautos

Manual Diagrama Electrico Chevrolet Aveo Emotion Koreaautos

Como Leer Diagrama Electrico De Aire Acondicionado Youtube Aire Acondicionado De Ventana Acondicionado Aire Acondicionado

Como Leer Diagrama Electrico De Aire Acondicionado Youtube Aire Acondicionado De Ventana Acondicionado Aire Acondicionado

Diagrama Electrico Aire Acondicionado Explicado Youtube

Diagrama Electrico Aire Acondicionado Explicado Youtube

Http Www Juntadeandalucia Es Averroes Centros Tic 21700502 Moodle Mod Resource View Php Inpopup True Id 4127

Http Www Juntadeandalucia Es Averroes Centros Tic 21700502 Moodle Mod Resource View Php Inpopup True Id 4127

Manuales De Mecanica Esquema Electrico Ford Fiesta 1 6

Manuales De Mecanica Esquema Electrico Ford Fiesta 1 6

Volkswagen Pointer

Volkswagen Pointer

Diagrama Y Sistema Electrico De Moto Honda Vt 250 Guia Reparacion Y Desarme Pdf

Diagrama Y Sistema Electrico De Moto Honda Vt 250 Guia Reparacion Y Desarme Pdf

Aire Acondicionado Del Vehiculo Funcionamiento Y Reparacion Hella

Aire Acondicionado Del Vehiculo Funcionamiento Y Reparacion Hella

Como Leer Diagramas Electricos Automotrices 2018 Version Corta Youtube

Como Leer Diagramas Electricos Automotrices 2018 Version Corta Youtube

Manual De Construccion Del Sistema De Aire Acondicionado Automotriz Mecanica Automotriz

Manual De Construccion Del Sistema De Aire Acondicionado Automotriz Mecanica Automotriz

Circuito Electrico De Luces Bajas Y Altas De Un Vehiculo

Circuito Electrico De Luces Bajas Y Altas De Un Vehiculo

Renault 21 Indice

Renault 21 Indice

Lectura De Diagramas Electricos Automotrices Ventiladores Electricos Youtube

Lectura De Diagramas Electricos Automotrices Ventiladores Electricos Youtube

Http Www Juntadeandalucia Es Averroes Centros Tic 21700502 Moodle Mod Resource View Php Inpopup True Id 4127

Http Www Juntadeandalucia Es Averroes Centros Tic 21700502 Moodle Mod Resource View Php Inpopup True Id 4127

Https Encrypted Tbn0 Gstatic Com Images Q Tbn And9gctsdzikah9wfte06xrxsmexr9w4hban6lnokt Vm9ucostkhvba Usqp Cau

Https Encrypted Tbn0 Gstatic Com Images Q Tbn And9gctsdzikah9wfte06xrxsmexr9w4hban6lnokt Vm9ucostkhvba Usqp Cau

Http Www Electra Com Ar Wp Content Uploads 2018 09 Manual Pisotecho Pdf

Http Www Electra Com Ar Wp Content Uploads 2018 09 Manual Pisotecho Pdf

Ford Taurus Mercury Sable 1996 2000 Diagramas Esquemas Graphics Mecanica Automotriz

Ford Taurus Mercury Sable 1996 2000 Diagramas Esquemas Graphics Mecanica Automotriz

Diagramas De Refrigeracion Blog Quimobasicos

Diagramas De Refrigeracion Blog Quimobasicos

Descargar Manual De Diagrama De Cableado Electrico Mecanico De Coches Mecanica Automotriz Cableado Electrico

Descargar Manual De Diagrama De Cableado Electrico Mecanico De Coches Mecanica Automotriz Cableado Electrico

Solucionado Pointer 98 Diagrama Electrico Yoreparo

Solucionado Pointer 98 Diagrama Electrico Yoreparo

Https Captiveaire Com Manuals Makeupair Mod 20package 20o Im 20spanish Pdf V 1882020

Https Captiveaire Com Manuals Makeupair Mod 20package 20o Im 20spanish Pdf V 1882020

Https Ingjjnina Jimdofree Com App Download 6279042118 0 Dce Circuitos Elect Toyota Pdf T 1512150644

Https Ingjjnina Jimdofree Com App Download 6279042118 0 Dce Circuitos Elect Toyota Pdf T 1512150644

Https Www Refrimatica Com Ar Fileuploader Download Download D 0 File Custom 2fupload 2ffile 1485349426 Pdf

Https Www Refrimatica Com Ar Fileuploader Download Download D 0 File Custom 2fupload 2ffile 1485349426 Pdf

Https Www Midea Es Wp Content Uploads Pda Lm Uploads 2018 07 Mt M Dom Mission R410a Es Pdf

Https Www Midea Es Wp Content Uploads Pda Lm Uploads 2018 07 Mt M Dom Mission R410a Es Pdf

Manual Aires Acondicionados

Manual Aires Acondicionados

Manual De Construccion Del Sistema De Aire Acondicionado Automotriz Mecanica Automotriz

Manual De Construccion Del Sistema De Aire Acondicionado Automotriz Mecanica Automotriz

Https Www Refrimatica Com Ar Fileuploader Download Download D 0 File Custom 2fupload 2ffile 1485349426 Pdf

Https Www Refrimatica Com Ar Fileuploader Download Download D 0 File Custom 2fupload 2ffile 1485349426 Pdf

Cableado Y Localizacion Unidades Electricas Nissan Versa Bcm Air Bags Eps Nats Intelligent Key Unit

Cableado Y Localizacion Unidades Electricas Nissan Versa Bcm Air Bags Eps Nats Intelligent Key Unit

Diagram Database Just The Best Diagram Database Website

Diagram Database Just The Best Diagram Database Website

Calameo Manual De Aire Acondicionado Manuales Y Diagramas Vaf

Calameo Manual De Aire Acondicionado Manuales Y Diagramas Vaf

Manual De Mantenimiento Y Reparaciones Dodge Stratus

Manual De Mantenimiento Y Reparaciones Dodge Stratus

Http Www Trane Com Content Dam Trane Commercial Lar Es Product Systems Dx 20residencial Equipos 20piso Techo 20 U Match Iom Piso Techo 20manual 20de 20instalaci C3 B3n 20 Espa C3 B1ol Pdf

Http Www Trane Com Content Dam Trane Commercial Lar Es Product Systems Dx 20residencial Equipos 20piso Techo 20 U Match Iom Piso Techo 20manual 20de 20instalaci C3 B3n 20 Espa C3 B1ol Pdf

Cableado Electrico

Cableado Electrico

Http Www Electra Com Ar Wp Content Uploads 2018 09 Manual Pisotecho Pdf

Http Www Electra Com Ar Wp Content Uploads 2018 09 Manual Pisotecho Pdf

Diagramas Electricos Del Hyundai Tucson

Diagramas Electricos Del Hyundai Tucson

Manuales Digitales Jc Manuales Tecnicos Para Taller Mecanica Y Sistema Electrico Reparacion Y Servicio Manualesdigitalesjc Com

Manuales Digitales Jc Manuales Tecnicos Para Taller Mecanica Y Sistema Electrico Reparacion Y Servicio Manualesdigitalesjc Com

Manual Sistema Electrico Suzuki Jimny Diamotor

Manual Sistema Electrico Suzuki Jimny Diamotor

Cableado Electrico

Cableado Electrico

Diagramas De Refrigeracion Blog Quimobasicos

Diagramas De Refrigeracion Blog Quimobasicos

Diagramas Electricos Del Hyundai Tucson

Diagramas Electricos Del Hyundai Tucson

Diagrama Electrico Y Manual De Usuario De Nissan Navara D22

Diagrama Electrico Y Manual De Usuario De Nissan Navara D22

Random Posts

  • Lg Split Ac Wiring Diagram
  • Hampton Bay 3 Speed Ceiling Fan Pull Chain Switch Wiring Diagram
  • Schema Elettrico Jeep Wrangler Jk
  • Wiring Diagram Speedometer Satria Fu Fi
  • Rv Solar Panel Wiring Diagram