Elektrische Rollaeden Schaltplan

Smi Technologie Sonnenschutz Antrieb Und Steuerung Baunetz Wissen

Smi Technologie Sonnenschutz Antrieb Und Steuerung Baunetz Wissen

Jalousie Schalter Anschliessen Rollladen Schaltung Jalousie Schaltung Elektroinstallation Youtube

Jalousie Schalter Anschliessen Rollladen Schaltung Jalousie Schaltung Elektroinstallation Youtube

Rolladen Zeitschaltuhr Anschliessen Rolladenschalter Jalousieschalter Anschliessen Youtube

Rolladen Zeitschaltuhr Anschliessen Rolladenschalter Jalousieschalter Anschliessen Youtube

Https Download Gira De Data3 54141310 Pdf

Https Download Gira De Data3 54141310 Pdf

Rolladenmotor Einstellschalter Selber Bauen Mikrocontroller Net

Rolladenmotor Einstellschalter Selber Bauen Mikrocontroller Net

Howto Elektrische Rolladen Per Fhem Und Homematic Automatisieren Meintechblog De

Howto Elektrische Rolladen Per Fhem Und Homematic Automatisieren Meintechblog De

Jalousieschalter Anschliessen Anschluss Eines Elektrischen Rollladens Anleitung Diybook De

Jalousieschalter Anschliessen Anschluss Eines Elektrischen Rollladens Anleitung Diybook De

Jalousiesteuerung Richtig Verwenden

Jalousiesteuerung Richtig Verwenden

Elektrischer Rolladen Schalter Wechseln

Elektrischer Rolladen Schalter Wechseln

Teil 13 Rolladen Steuerung

Teil 13 Rolladen Steuerung

Jalousieschalter Anschliessen So Funktionierts Tipps

Jalousieschalter Anschliessen So Funktionierts Tipps

Faac Elektronische Funkmotoren Er Elektrischer Anschluss Und Inbetriebnahme Youtube

Faac Elektronische Funkmotoren Er Elektrischer Anschluss Und Inbetriebnahme Youtube

Elektronik Projekte W010 24v Dc Polwender Fur Velux Sml Rollladen

Elektronik Projekte W010 24v Dc Polwender Fur Velux Sml Rollladen

Jalousieschalter Anschliessen Anschluss Eines Elektrischen Rollladens Anleitung Diybook De

Jalousieschalter Anschliessen Anschluss Eines Elektrischen Rollladens Anleitung Diybook De

Rolladenschalter Rolladentaster Rollladenschalter Jalousie

Rolladenschalter Rolladentaster Rollladenschalter Jalousie

Rolladenmotoren Von Zwei Punkten Steuern

Rolladenmotoren Von Zwei Punkten Steuern

Rolladen Trennrelais Fingers Elektrische Welt

Rolladen Trennrelais Fingers Elektrische Welt

Beispiel Einer Zentralen Rollladensteuerung

Beispiel Einer Zentralen Rollladensteuerung

Schaltplan Eines Rolladen Mit Einem Motor Schaltplan Elektroinstallation Rolladen Elektrisch

Schaltplan Eines Rolladen Mit Einem Motor Schaltplan Elektroinstallation Rolladen Elektrisch

Jalousieschalter Anschliessen Anschluss Eines Elektrischen Rollladens Anleitung Diybook De

Jalousieschalter Anschliessen Anschluss Eines Elektrischen Rollladens Anleitung Diybook De

Shelly 2 Rollladen Steuerung Anschluss Creationx Smart Home Forum

Shelly 2 Rollladen Steuerung Anschluss Creationx Smart Home Forum

Shelly 2 5 Rollladen Steuerung Anschluss Creationx Smart Home Forum

Shelly 2 5 Rollladen Steuerung Anschluss Creationx Smart Home Forum

Altron Anschlussplan Mechanische Motoren Youtube

Altron Anschlussplan Mechanische Motoren Youtube

Howto Elektrische Rolladen Per Fhem Und Homematic Automatisieren Meintechblog De

Howto Elektrische Rolladen Per Fhem Und Homematic Automatisieren Meintechblog De

Smi Technologie Sonnenschutz Antrieb Und Steuerung Baunetz Wissen

Smi Technologie Sonnenschutz Antrieb Und Steuerung Baunetz Wissen

Elektrische Rolladen Nachrusten Anleitung Zum Selber Machen

Elektrische Rolladen Nachrusten Anleitung Zum Selber Machen

Trennrelais Fur Jalousiemotore Mikrocontroller Net

Trennrelais Fur Jalousiemotore Mikrocontroller Net

Teil 13 Rolladen Steuerung

Teil 13 Rolladen Steuerung

Rolladenmotor Anschliessen Schaltplan Schaltplan Schalter Planer

Rolladenmotor Anschliessen Schaltplan Schaltplan Schalter Planer

Jalousieschalter Anschliessen Anschluss Eines Elektrischen Rollladens Anleitung Diybook De

Jalousieschalter Anschliessen Anschluss Eines Elektrischen Rollladens Anleitung Diybook De

Howto Elektrische Rolladen Per Fhem Und Homematic Automatisieren Meintechblog De

Howto Elektrische Rolladen Per Fhem Und Homematic Automatisieren Meintechblog De

Schaltplan Grundlage Elektroinstallation Selber Machen Com

Schaltplan Grundlage Elektroinstallation Selber Machen Com

Relais Trennrelais Fur Bis Zu 4 Antrieben Ohne Einzelbedienung Up Rohrmotor24

Relais Trennrelais Fur Bis Zu 4 Antrieben Ohne Einzelbedienung Up Rohrmotor24

Vorbereiten Und Installieren Des Instabus Eib

Vorbereiten Und Installieren Des Instabus Eib

Rolladensteuerung Zentral Und Einzeln Mit Schaltplan Flexibel Bedienen Automatische Rollladen De

Rolladensteuerung Zentral Und Einzeln Mit Schaltplan Flexibel Bedienen Automatische Rollladen De

Http Www Nobily De Media Pdf Pe5 Motoren Kurz Anleitung Pdf

Http Www Nobily De Media Pdf Pe5 Motoren Kurz Anleitung Pdf

Elektronik Projekte W010 24v Dc Polwender Fur Velux Sml Rollladen

Elektronik Projekte W010 24v Dc Polwender Fur Velux Sml Rollladen

Teil 13 Rolladen Steuerung

Teil 13 Rolladen Steuerung

Schalter An Rollladenmotor Anschliessen Youtube

Schalter An Rollladenmotor Anschliessen Youtube

Teil 13 Rolladen Steuerung

Teil 13 Rolladen Steuerung

Https Roadsterfun De Im Elektronics Pdf Dateien Anleitung 20trennrelais 20im R2 Uni Pdf

Https Roadsterfun De Im Elektronics Pdf Dateien Anleitung 20trennrelais 20im R2 Uni Pdf

Jalousiesteuerung Richtig Verwenden

Jalousiesteuerung Richtig Verwenden

Trennrelais Fur Jalousiemotore Mikrocontroller Net

Trennrelais Fur Jalousiemotore Mikrocontroller Net

Rolladensteuerung Mit Arduino Und Relais 230v Mikrocontroller Net

Rolladensteuerung Mit Arduino Und Relais 230v Mikrocontroller Net

Jalousieschalter Anschliessen So Funktionierts Tipps

Jalousieschalter Anschliessen So Funktionierts Tipps

Jalousieschalter Anschliessen Anschluss Eines Elektrischen Rollladens Anleitung Diybook De

Jalousieschalter Anschliessen Anschluss Eines Elektrischen Rollladens Anleitung Diybook De

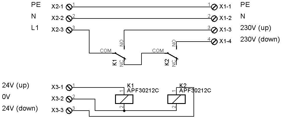
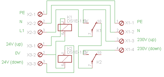
Eigenbau Rollladen Trennrelais 24v Mikrocontroller Net

Eigenbau Rollladen Trennrelais 24v Mikrocontroller Net

Rollladen Uber Apple Homekit Steuern Fenster Apple Homekit Forum Homekit Community

Rollladen Uber Apple Homekit Steuern Fenster Apple Homekit Forum Homekit Community

Smarte Rolladensteuerung Per App Bosch Smart Home

Smarte Rolladensteuerung Per App Bosch Smart Home

Jalousieschalter Anschliessen So Funktionierts Tipps

Jalousieschalter Anschliessen So Funktionierts Tipps

Teil 13 Rolladen Steuerung

Teil 13 Rolladen Steuerung

Bewegungsmelder 01 Bewegungsmelder Elektroinstallation Elektrische Schaltungen

Bewegungsmelder 01 Bewegungsmelder Elektroinstallation Elektrische Schaltungen

Zentralsteuerung Relais Gruppensteuerung Kaufen Rohrmotor24

Zentralsteuerung Relais Gruppensteuerung Kaufen Rohrmotor24

Https Www Schanz De Fileadmin User Upload Anschlussplan Elektronik Funk Mechanischer Motor Pdf

Https Www Schanz De Fileadmin User Upload Anschlussplan Elektronik Funk Mechanischer Motor Pdf

Schaltplan Zusatzliche 230v Steckdose Anschliessen Elektroinstallation Steckdosen Schaltplan

Schaltplan Zusatzliche 230v Steckdose Anschliessen Elektroinstallation Steckdosen Schaltplan

Jalousieschalter Anschliessen Anschluss Eines Elektrischen Rollladens Anleitung Diybook De

Jalousieschalter Anschliessen Anschluss Eines Elektrischen Rollladens Anleitung Diybook De

Elektro Rolladen Auf Funk Umrusten Wie

Elektro Rolladen Auf Funk Umrusten Wie

Teil 13 Rolladen Steuerung

Teil 13 Rolladen Steuerung

Elektrische Rolladen Nachrusten Das Mussen Sie Wissen Focus De

Elektrische Rolladen Nachrusten Das Mussen Sie Wissen Focus De

Https Roadsterfun De Im Elektronics Pdf Dateien Anleitung 20trennrelais 20im R2 Uni Pdf

Https Roadsterfun De Im Elektronics Pdf Dateien Anleitung 20trennrelais 20im R2 Uni Pdf

Schaltplan Eines Rolladen Jalousie Elektroinstallation Elektro Schaltplan

Schaltplan Eines Rolladen Jalousie Elektroinstallation Elektro Schaltplan

Wlc 100 51 Velux Steuerung Wlc 100 5104

Wlc 100 51 Velux Steuerung Wlc 100 5104

Https Www Elektroland24 De Out Media 039800 G 039800 Pdf

Https Www Elektroland24 De Out Media 039800 G 039800 Pdf

Elektrische Rolladen Nachrusten Anleitung Zum Selber Machen

Elektrische Rolladen Nachrusten Anleitung Zum Selber Machen

Https Bilder Rolllra De Info Trennnrelais Alle Pdf

Https Bilder Rolllra De Info Trennnrelais Alle Pdf

Nobily Rolladen Zeitschaltuhr Zs1 Ab 27 90 Eur Nobily Gmbh

Nobily Rolladen Zeitschaltuhr Zs1 Ab 27 90 Eur Nobily Gmbh

Loratap Wifi Smart Einbauschalter Relais Modul Fur Elektrische Rolladen Vorhange Jalousien Und Markisen Zeitschaltuhr Schalter Rolladenzeitschaltuhr Timer Fur Rolladenmotor Amazon De Baumarkt

Loratap Wifi Smart Einbauschalter Relais Modul Fur Elektrische Rolladen Vorhange Jalousien Und Markisen Zeitschaltuhr Schalter Rolladenzeitschaltuhr Timer Fur Rolladenmotor Amazon De Baumarkt

Elektronik Projekte W010 24v Dc Polwender Fur Velux Sml Rollladen

Elektronik Projekte W010 24v Dc Polwender Fur Velux Sml Rollladen

Jarolift Rolladen 2 Fach Trennrelais Tdr2c Fur Rolladenmotore

Jarolift Rolladen 2 Fach Trennrelais Tdr2c Fur Rolladenmotore

Dachfenster Rolladen Von Roto Uber Handsender Ansteuern Fhemwiki

Dachfenster Rolladen Von Roto Uber Handsender Ansteuern Fhemwiki

Elektrische Rolladen Nachrusten Anleitung Zum Selber Machen

Elektrische Rolladen Nachrusten Anleitung Zum Selber Machen

Rolladenschalter Anschliessen Elektrische Rolladensteuerung

Rolladenschalter Anschliessen Elektrische Rolladensteuerung

Elektro Rolladen Auf Funk Umrusten Wie

Elektro Rolladen Auf Funk Umrusten Wie

Elektrischer Rolladen Schalter Wechseln

Elektrischer Rolladen Schalter Wechseln

Jalousieschalter Anschliessen So Funktionierts Tipps

Jalousieschalter Anschliessen So Funktionierts Tipps

Https Roadsterfun De Im Elektronics Pdf Dateien Anleitung 20trennrelais 20im R2 Uni Pdf

Https Roadsterfun De Im Elektronics Pdf Dateien Anleitung 20trennrelais 20im R2 Uni Pdf

Relais Trennrelais Fur Bis Zu 4 Antrieben Ohne Einzelbedienung Up Rohrmotor24

Relais Trennrelais Fur Bis Zu 4 Antrieben Ohne Einzelbedienung Up Rohrmotor24

Trennrelais Fur Jalousiemotore Mikrocontroller Net

Trennrelais Fur Jalousiemotore Mikrocontroller Net

Beispiel Einer Zentralen Rollladensteuerung

Beispiel Einer Zentralen Rollladensteuerung

Umbau Selve Doppelwippentaster Zum Schalter Youtube

Umbau Selve Doppelwippentaster Zum Schalter Youtube

Rolladenmotor Rolladenschalter Anschliessen Jalousieschalter Jalousiemotor Anklemmen Anleitung Youtube

Rolladenmotor Rolladenschalter Anschliessen Jalousieschalter Jalousiemotor Anklemmen Anleitung Youtube

Rolladensteuerung Mit Arduino Und Relais 230v Mikrocontroller Net

Rolladensteuerung Mit Arduino Und Relais 230v Mikrocontroller Net

Https Www Schanz De Fileadmin User Upload Anschlussplan Elektronik Funk Mechanischer Motor Pdf

Https Www Schanz De Fileadmin User Upload Anschlussplan Elektronik Funk Mechanischer Motor Pdf

Trennrelais Fur Rolladen Und Jalousien Rolladensteuerung

Trennrelais Fur Rolladen Und Jalousien Rolladensteuerung

Smi Technologie Sonnenschutz Antrieb Und Steuerung Baunetz Wissen

Smi Technologie Sonnenschutz Antrieb Und Steuerung Baunetz Wissen

Elektro Rolladen Auf Funk Umrusten Wie

Elektro Rolladen Auf Funk Umrusten Wie

Rademacher Rollladen Zeitschaltuhr Troll Comfort 3d

Rademacher Rollladen Zeitschaltuhr Troll Comfort 3d

Https Www Schanz De Fileadmin User Upload Anschlussplan Elektronik Funk Mechanischer Motor Pdf

Https Www Schanz De Fileadmin User Upload Anschlussplan Elektronik Funk Mechanischer Motor Pdf

Elektrische Rolladen Nachrusten Das Mussen Sie Wissen Focus De

Elektrische Rolladen Nachrusten Das Mussen Sie Wissen Focus De

2

2

Relais Trennrelais Fur Bis Zu 4 Antrieben Ohne Einzelbedienung Up Rohrmotor24

Relais Trennrelais Fur Bis Zu 4 Antrieben Ohne Einzelbedienung Up Rohrmotor24

Jalousieschalter Anschliessen Anschluss Eines Elektrischen Rollladens Anleitung Diybook De

Jalousieschalter Anschliessen Anschluss Eines Elektrischen Rollladens Anleitung Diybook De

Trennrelais Fur Rolladen Und Jalousien Rolladensteuerung

Trennrelais Fur Rolladen Und Jalousien Rolladensteuerung

Schaltuhr Fur Rolladen Austauschen

Schaltuhr Fur Rolladen Austauschen

Rolladensteuerung Zentral Und Einzeln Mit Schaltplan Flexibel Bedienen Automatische Rollladen De

Rolladensteuerung Zentral Und Einzeln Mit Schaltplan Flexibel Bedienen Automatische Rollladen De

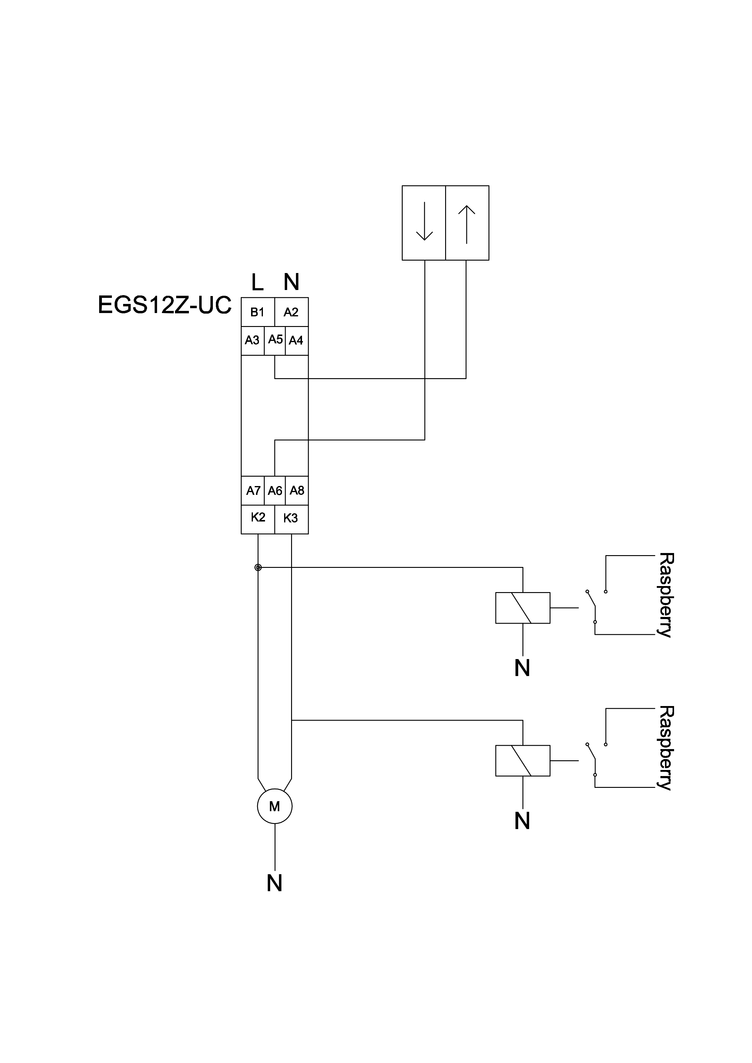
Rollladen Mit Raspberry Steuern Mikrocontroller Net

Rollladen Mit Raspberry Steuern Mikrocontroller Net

Anschluss Einer Jalousie Loxone Dokumentation

Anschluss Einer Jalousie Loxone Dokumentation

Wozu Trennrelais Bei Rolladensteuerung Mikrocontroller Net

Wozu Trennrelais Bei Rolladensteuerung Mikrocontroller Net

Schalter Einbauen Vorbereitung Eines Elektrischen Rollladens Anleitung Diybook De

Schalter Einbauen Vorbereitung Eines Elektrischen Rollladens Anleitung Diybook De

Planung Rolladensteuerung Platzierung Schalter An Fenster Oder Tur Hausbau Blog

Planung Rolladensteuerung Platzierung Schalter An Fenster Oder Tur Hausbau Blog

Random Posts

  • Wiring Diagram Outside Ac Unit
  • Wiring Diagram Supra X 125 Karbu Pdf
  • Schema Impianto Elettrico Vespa 125 Primavera Et3
  • Schema Impianto Elettrico Fiat 500 F
  • Schema Branchement Fil Electrique