Schema Elettrico Hoverboard

Uber Scoot Okw16p 4 1600w Evo Centralina Monopattino Elettrico Regolatore Di Tensione

Uber Scoot Okw16p 4 1600w Evo Centralina Monopattino Elettrico Regolatore Di Tensione

Http Itekk It Wp Content Uploads 2018 06 Manuale Hoverboard Napoli Pdf

Http Itekk It Wp Content Uploads 2018 06 Manuale Hoverboard Napoli Pdf

Vicenza Al Via La Sperimentazione Della Circolazione Di Monopattini Hoverboard Segway E Monowheel Ferpress

Vicenza Al Via La Sperimentazione Della Circolazione Di Monopattini Hoverboard Segway E Monowheel Ferpress

Tutti I Modelli Di Hoverboard Tipologie A Confronto Sceltahoverboard It

Tutti I Modelli Di Hoverboard Tipologie A Confronto Sceltahoverboard It

Hoverboard Double System Control Circuit Board Motherboard For 2 Wheel Self Balancing Electric Scooter Replacement Mainboard Board Wheel Motherboard Motherboardmotherboard Board Aliexpress

Hoverboard Double System Control Circuit Board Motherboard For 2 Wheel Self Balancing Electric Scooter Replacement Mainboard Board Wheel Motherboard Motherboardmotherboard Board Aliexpress

2

2

Skateboard Elettrico Autobilanciato Ecco Come Funziona

Skateboard Elettrico Autobilanciato Ecco Come Funziona

Http Itekk It Wp Content Uploads 2018 06 Manuale Hoverboard Napoli Pdf

Http Itekk It Wp Content Uploads 2018 06 Manuale Hoverboard Napoli Pdf

Https Www Elettronica Cc Download Pdf Hoverskate Pdf

Https Www Elettronica Cc Download Pdf Hoverskate Pdf

Hoverboard Schema Hoverboard Italia

Hoverboard Schema Hoverboard Italia

Il Miglior Hoverboard Per Tutti 2020 Quale Scegliere Mondoprezzo

Il Miglior Hoverboard Per Tutti 2020 Quale Scegliere Mondoprezzo

Hv6 5 Con Luci Led Bluetooth Borsa Verde Militare Hoverboard Italia

Hv6 5 Con Luci Led Bluetooth Borsa Verde Militare Hoverboard Italia

Hoverboard Archivi Ilmonopattinoelettrico Com

Hoverboard Archivi Ilmonopattinoelettrico Com

Monopattini Elettrici Palermo Home Facebook

Monopattini Elettrici Palermo Home Facebook

Recensioni Hoverboard Elettrico Umig

Recensioni Hoverboard Elettrico Umig

Https Encrypted Tbn0 Gstatic Com Images Q Tbn And9gcqh67pgingi0dcyeuieqeduxo1zvtmwxtrx8nb44xvn1ymy8u6g Usqp Cau

Https Encrypted Tbn0 Gstatic Com Images Q Tbn And9gcqh67pgingi0dcyeuieqeduxo1zvtmwxtrx8nb44xvn1ymy8u6g Usqp Cau

10 Find This On Aliexpress Com Ideas Scooter Hoverboard Electric Scooter

10 Find This On Aliexpress Com Ideas Scooter Hoverboard Electric Scooter

Rcb Hoverboard Elettrico Da 6 5 Pollici Auto Bilanciamento Hoverboard Con Ruote 6 5 Lampeggianti Bluetooth Per Adulti E Bambini Ciclomotori E Quad Auto E Moto

Rcb Hoverboard Elettrico Da 6 5 Pollici Auto Bilanciamento Hoverboard Con Ruote 6 5 Lampeggianti Bluetooth Per Adulti E Bambini Ciclomotori E Quad Auto E Moto

Come Fare Un Segway Con Le Tue Mani Segway Fai Da Te Raccogli Parti Elettroniche

Come Fare Un Segway Con Le Tue Mani Segway Fai Da Te Raccogli Parti Elettroniche

Top 5 Hoverboard Per Bambini 2020 Offerte E Opinioni

Top 5 Hoverboard Per Bambini 2020 Offerte E Opinioni

Tutorial Per Costruire Il Flusso Canalizzatore Di Claudio Stefanini Ritorno Al Futuro

Tutorial Per Costruire Il Flusso Canalizzatore Di Claudio Stefanini Ritorno Al Futuro

Hoverboard Double System Control Circuit Board Motherboard For 2 Wheel Self Balancing Electric Scooter Replacement Mainboard Board Wheel Motherboard Motherboardmotherboard Board Aliexpress

Hoverboard Double System Control Circuit Board Motherboard For 2 Wheel Self Balancing Electric Scooter Replacement Mainboard Board Wheel Motherboard Motherboardmotherboard Board Aliexpress

30 La Migliore Hoverboard Nel 2020 In Base A 403 Recensioni

30 La Migliore Hoverboard Nel 2020 In Base A 403 Recensioni

Smart Balance Wheel No Power Repair Youtube

Smart Balance Wheel No Power Repair Youtube

20 Migliori Hoverboard Bluetooth Rosa Offerte Recensioni E Opinioni 2020

20 Migliori Hoverboard Bluetooth Rosa Offerte Recensioni E Opinioni 2020

Soluzione Di Controllo Del Motore Di Arrow Esc Per Gli Scooter Auto Bilanciati A Due Ruote Arrow Com

Soluzione Di Controllo Del Motore Di Arrow Esc Per Gli Scooter Auto Bilanciati A Due Ruote Arrow Com

Rcb Scooter Elettrico Da 6 5 Pollici Con Led Bluetooth Su Ruote Brillante Auto Bilanciamento 6 5 Lampeggianti Bluetooth Per Adulti E Bambini Regalo Di Natale Amazon It Sport E Tempo Libero

Rcb Scooter Elettrico Da 6 5 Pollici Con Led Bluetooth Su Ruote Brillante Auto Bilanciamento 6 5 Lampeggianti Bluetooth Per Adulti E Bambini Regalo Di Natale Amazon It Sport E Tempo Libero

Uniem Unione Nazionale Imprese Elettriche Minori Posts Facebook

Uniem Unione Nazionale Imprese Elettriche Minori Posts Facebook

Http Www Vigilfuoco It Allegati Biblioteca Rischiconnessiconlostoccaggiodisistemidiaccumulolitio Ione Pdf

Http Www Vigilfuoco It Allegati Biblioteca Rischiconnessiconlostoccaggiodisistemidiaccumulolitio Ione Pdf

Modulo Regolatore Tensione E Velocita Per Motori O Lampade Ac 220v Sikurit Technology Solutions

Modulo Regolatore Tensione E Velocita Per Motori O Lampade Ac 220v Sikurit Technology Solutions

Come Funziona Un Hoverboard Domotica Full

Come Funziona Un Hoverboard Domotica Full

Come Funziona Un Hoverboard Domotica Full

Come Funziona Un Hoverboard Domotica Full

Rcb Hoverboard Elettrico Scooter Auto Bilanciato Ruote 6 5 Inch Con Led Luce Sulle Ruote Hoverkart Include Amazon It Sport E Tempo Libero

Rcb Hoverboard Elettrico Scooter Auto Bilanciato Ruote 6 5 Inch Con Led Luce Sulle Ruote Hoverkart Include Amazon It Sport E Tempo Libero

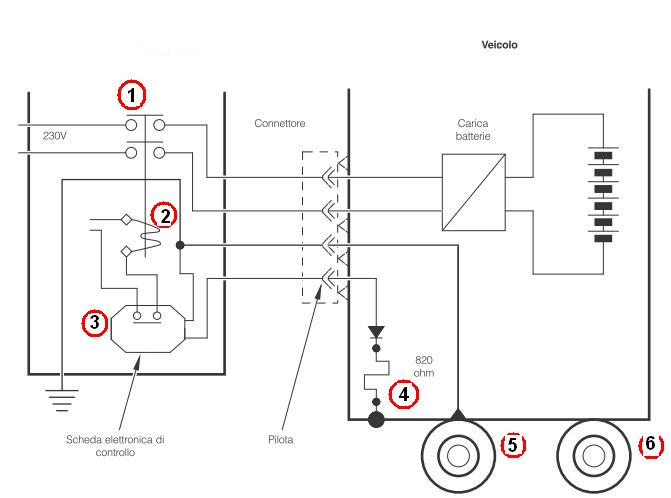
Diagram Schema Elettrico Circuiteria Di Controllo Spina Mennekes Diagram Full Version Hd Quality Mennekes Diagram 121284 Diagram Moto Cicli It

Diagram Schema Elettrico Circuiteria Di Controllo Spina Mennekes Diagram Full Version Hd Quality Mennekes Diagram 121284 Diagram Moto Cicli It

Hv6 5 Con Luci Led Bluetooth Borsa Dance Hoverboard Italia

Hv6 5 Con Luci Led Bluetooth Borsa Dance Hoverboard Italia

Rcb Hoverboard Migliori Prodotti 2020

Rcb Hoverboard Migliori Prodotti 2020

2

2

Come Funziona Un Hoverboard Domotica Full

Come Funziona Un Hoverboard Domotica Full

Alternative Alle Bici Elettriche Monopattino Segway Hooverboard E Skateboard

Alternative Alle Bici Elettriche Monopattino Segway Hooverboard E Skateboard

Http Www Mit Gov It Sites Default Files Media Notizia 2019 06 Schema 20dm 20micromobilit C3 A0 20229 2019 20 283 29 Pdf

Http Www Mit Gov It Sites Default Files Media Notizia 2019 06 Schema 20dm 20micromobilit C3 A0 20229 2019 20 283 29 Pdf

10 Find This On Aliexpress Com Ideas Scooter Hoverboard Electric Scooter

10 Find This On Aliexpress Com Ideas Scooter Hoverboard Electric Scooter

Hoverboard Segway Monopattini E Monowheel Schema Di Decreto Sulla Micromobilita Elettrica Polizialocale

Hoverboard Segway Monopattini E Monowheel Schema Di Decreto Sulla Micromobilita Elettrica Polizialocale

Hoverboard Double System Control Circuit Board Motherboard For 2 Wheel Self Balancing Electric Scooter Replacement Mainboard Board Wheel Motherboard Motherboardmotherboard Board Aliexpress

Hoverboard Double System Control Circuit Board Motherboard For 2 Wheel Self Balancing Electric Scooter Replacement Mainboard Board Wheel Motherboard Motherboardmotherboard Board Aliexpress

Bonus Mobilita Citta Di Fucecchio

Bonus Mobilita Citta Di Fucecchio

Il Circuito Di Controllo Della Scheda Madre Mainboard Hoverboard Taotao Pcb Per 6 5 8 10 2 Ruote Equilibrio Auto Elettriche Scooter Di Skateboard Hoverboard Motherboard Hoverboard Hoverboardmotherboard Hoverboard Aliexpress

Il Circuito Di Controllo Della Scheda Madre Mainboard Hoverboard Taotao Pcb Per 6 5 8 10 2 Ruote Equilibrio Auto Elettriche Scooter Di Skateboard Hoverboard Motherboard Hoverboard Hoverboardmotherboard Hoverboard Aliexpress

Ricambio Kit Scheda Madre Con Sensori Per Hoverboard 6 5 8 0 10 Pollici Toyscar Hoverboard Macchine Elettriche Eco Scooter

Ricambio Kit Scheda Madre Con Sensori Per Hoverboard 6 5 8 0 10 Pollici Toyscar Hoverboard Macchine Elettriche Eco Scooter

Scegliere Produttore Alta Qualita Hoverboard Diagramma E Hoverboard Diagramma Su Alibaba Com

Scegliere Produttore Alta Qualita Hoverboard Diagramma E Hoverboard Diagramma Su Alibaba Com

Controllo Di Motori Brushless Elettronica Open Source

Controllo Di Motori Brushless Elettronica Open Source

Https Www Poliziadistato It Statics 27 Circolare 300 A 1974 20 104 5 Del 9 03 2020 Pdf

Https Www Poliziadistato It Statics 27 Circolare 300 A 1974 20 104 5 Del 9 03 2020 Pdf

Top 5 Hoverboard Per Bambini 2020 Offerte E Opinioni

Top 5 Hoverboard Per Bambini 2020 Offerte E Opinioni

Pilika Cinghie Di Ricambio Per Hoverkart Hover Board Cinghia Fissa Per Hoverboard Go Kart Taglia L Nero Confezione Da 4 Cinghie 2 Coppie Amazon It Sport E Tempo Libero

Pilika Cinghie Di Ricambio Per Hoverkart Hover Board Cinghia Fissa Per Hoverboard Go Kart Taglia L Nero Confezione Da 4 Cinghie 2 Coppie Amazon It Sport E Tempo Libero

101 200 Transistor Circuits Electronics Projects Electronics Projects Diy Diy Electronics

101 200 Transistor Circuits Electronics Projects Electronics Projects Diy Diy Electronics

Miglior Carrello Hoverboard Aggiornato 2020 Recensioni E Classifica

Miglior Carrello Hoverboard Aggiornato 2020 Recensioni E Classifica

Bird Lancia Il Suo Cruiser Facebook Uno Scooter Robot Vaielettrico

Bird Lancia Il Suo Cruiser Facebook Uno Scooter Robot Vaielettrico

Di Luigi Altamura Ecco Il Decreto Relativo Alla Sperimentazione Della Micromobilita El Asaps It Il Portale Della Sicurezza Stradale

Di Luigi Altamura Ecco Il Decreto Relativo Alla Sperimentazione Della Micromobilita El Asaps It Il Portale Della Sicurezza Stradale

Hoverboard Motore Si Inceppa Elettronica Generica Plc Forum

Hoverboard Motore Si Inceppa Elettronica Generica Plc Forum

Il Miglior Hoverboard Per Tutti 2020 Quale Scegliere Mondoprezzo

Il Miglior Hoverboard Per Tutti 2020 Quale Scegliere Mondoprezzo

Micromobilita Elettrica Avvio Della Fase Sperimentale Nel Comune Di Imola Area Blu

Micromobilita Elettrica Avvio Della Fase Sperimentale Nel Comune Di Imola Area Blu

Tekk Hoverboard 8 Neo Manual

Tekk Hoverboard 8 Neo Manual

Nasce Multimobility L Assicurazione Per Bici Ebike Monopattini E Tutti I Mezzi Di Dmove It

Nasce Multimobility L Assicurazione Per Bici Ebike Monopattini E Tutti I Mezzi Di Dmove It

Http Www Mit Gov It Sites Default Files Media Notizia 2019 06 Schema 20dm 20micromobilit C3 A0 20229 2019 20 283 29 Pdf

Http Www Mit Gov It Sites Default Files Media Notizia 2019 06 Schema 20dm 20micromobilit C3 A0 20229 2019 20 283 29 Pdf

48 Migliori Hoverboard Nel 2020 Recensioni Opinioni Prezzi

48 Migliori Hoverboard Nel 2020 Recensioni Opinioni Prezzi

Il Circuito Di Controllo Della Scheda Madre Mainboard Hoverboard Taotao Pcb Per 6 5 8 10 2 Ruote Equilibrio Auto Elettriche Scooter Di Skateboard Scooter Skateboard Electric Scooterself Scooter Aliexpress

Il Circuito Di Controllo Della Scheda Madre Mainboard Hoverboard Taotao Pcb Per 6 5 8 10 2 Ruote Equilibrio Auto Elettriche Scooter Di Skateboard Scooter Skateboard Electric Scooterself Scooter Aliexpress

Https Encrypted Tbn0 Gstatic Com Images Q Tbn And9gcql3cui1m Ykclfdinrt7auyiszckc8hyo3qtsi Txmm9wmhrnv Usqp Cau

Https Encrypted Tbn0 Gstatic Com Images Q Tbn And9gcql3cui1m Ykclfdinrt7auyiszckc8hyo3qtsi Txmm9wmhrnv Usqp Cau

Rcb Hoverboard Migliori Prodotti 2020

Rcb Hoverboard Migliori Prodotti 2020

Kit Scheda Madre E Led Per Riparazione Hoverboard Ricambio Ebay

Kit Scheda Madre E Led Per Riparazione Hoverboard Ricambio Ebay

Personalizzato Hoverboard Schema Pcb Board Produttore Buy Hoverboard Schema Bordo Del Pwb Produttore Personalizzato Bordo Del Pwb Product On Alibaba Com

Personalizzato Hoverboard Schema Pcb Board Produttore Buy Hoverboard Schema Bordo Del Pwb Produttore Personalizzato Bordo Del Pwb Product On Alibaba Com

Ebike Controller On Hoverboard Youtube

Ebike Controller On Hoverboard Youtube

Fiat Panda Elettrica Elettra Quando Il Pandino Era Elettrico Correva Il 1990 Greenmotorsport

Fiat Panda Elettrica Elettra Quando Il Pandino Era Elettrico Correva Il 1990 Greenmotorsport

Foto Con Annotazioni Dell Interno Bms Greengo Icaro Forum Sui Veicoli 100 Elettrici

Foto Con Annotazioni Dell Interno Bms Greengo Icaro Forum Sui Veicoli 100 Elettrici

Miglior Carrello Hoverboard Aggiornato 2020 Recensioni E Classifica

Miglior Carrello Hoverboard Aggiornato 2020 Recensioni E Classifica

48 Migliori Hoverboard Nel 2020 Recensioni Opinioni Prezzi

48 Migliori Hoverboard Nel 2020 Recensioni Opinioni Prezzi

Come Funziona Un Hoverboard Domotica Full

Come Funziona Un Hoverboard Domotica Full

Diagram Peace Sports Scooter Wiring Diagram Full Version Hd Quality Wiring Diagram Gotomydownload Dimitribandini Fr

Diagram Peace Sports Scooter Wiring Diagram Full Version Hd Quality Wiring Diagram Gotomydownload Dimitribandini Fr

350w 36 V 48 V Dc 6 Mofset Brushless Controller Bldc Controller E Bike E Scooter Elettrico Della Bicicletta Accessorio Regolatore Di Velocita Bicycle Speed Controller Ebikebicycle Electric Aliexpress

350w 36 V 48 V Dc 6 Mofset Brushless Controller Bldc Controller E Bike E Scooter Elettrico Della Bicicletta Accessorio Regolatore Di Velocita Bicycle Speed Controller Ebikebicycle Electric Aliexpress

30 La Migliore Hoverboard Nel 2020 In Base A 403 Recensioni

30 La Migliore Hoverboard Nel 2020 In Base A 403 Recensioni

Batterie Litio Per X Bici Biciclette Elettriche Su Misura Ricellaggio Rifacimento Rigenerate

Batterie Litio Per X Bici Biciclette Elettriche Su Misura Ricellaggio Rifacimento Rigenerate

Appassionati Del Fai Da Te Guida Alla Costruzione Di Un Hoverboard

Appassionati Del Fai Da Te Guida Alla Costruzione Di Un Hoverboard

Balancing Li Ion Li Polymer Batteries Battery Balancing Circuit 12v Li Ion Balancer Pi Battery Charger Circuit Electronics Projects Electronic Circuit Projects

Balancing Li Ion Li Polymer Batteries Battery Balancing Circuit 12v Li Ion Balancer Pi Battery Charger Circuit Electronics Projects Electronic Circuit Projects

Migliori Hoverboard Economici 100 Euro Quale Comprare 2020

Migliori Hoverboard Economici 100 Euro Quale Comprare 2020

Mobilita Elettrica Ecco La Normativa Tutti I Limiti Per Monopattini Segway E Hoverboard

Mobilita Elettrica Ecco La Normativa Tutti I Limiti Per Monopattini Segway E Hoverboard

Differenze Tra Hoverboard Segway E Monopattino Elettrico

Differenze Tra Hoverboard Segway E Monopattino Elettrico

350w 36 V 48 V Dc 6 Mofset Brushless Controller Bldc Controller E Bike E Scooter Elettrico Della Bicicletta Accessorio Regolatore Di Velocita Bicycle Speed Controller Ebikebicycle Electric Aliexpress

350w 36 V 48 V Dc 6 Mofset Brushless Controller Bldc Controller E Bike E Scooter Elettrico Della Bicicletta Accessorio Regolatore Di Velocita Bicycle Speed Controller Ebikebicycle Electric Aliexpress

Ecco Come Scegliere Un Buon Hoverboard Attenzione Alle Truffe Youtube

Ecco Come Scegliere Un Buon Hoverboard Attenzione Alle Truffe Youtube

Kit Torque 250w 350w 500w Bici Elettrica Tipo Bosch Pedalata Assistita Motore Centrale 36v 48v

Kit Torque 250w 350w 500w Bici Elettrica Tipo Bosch Pedalata Assistita Motore Centrale 36v 48v

Http Www Mit Gov It Sites Default Files Media Notizia 2019 06 Schema 20dm 20micromobilit C3 A0 20229 2019 20 283 29 Pdf

Http Www Mit Gov It Sites Default Files Media Notizia 2019 06 Schema 20dm 20micromobilit C3 A0 20229 2019 20 283 29 Pdf

Hoverboard Amazon 2019 Ruotalibera

Hoverboard Amazon 2019 Ruotalibera

Overboard Jumping Jack Flash Weblog

Overboard Jumping Jack Flash Weblog

Come Collegare La Centralina Di Una Mini Moto Elettrica Schema Centralina Youtube

Come Collegare La Centralina Di Una Mini Moto Elettrica Schema Centralina Youtube

Https Www Elettronica Cc Download Pdf Hoverskate Pdf

Https Www Elettronica Cc Download Pdf Hoverskate Pdf

Https Encrypted Tbn0 Gstatic Com Images Q Tbn And9gcrqnr Da Izqf9tr6bvq116bd7o8obqtyijvicahibnppn X57b Usqp Cau

Https Encrypted Tbn0 Gstatic Com Images Q Tbn And9gcrqnr Da Izqf9tr6bvq116bd7o8obqtyijvicahibnppn X57b Usqp Cau

Scheda Madre Per Hoverboard Universale Completa Di Sensori Hoverboard Italia

Scheda Madre Per Hoverboard Universale Completa Di Sensori Hoverboard Italia

Https Encrypted Tbn0 Gstatic Com Images Q Tbn And9gcts2tzzo 57ksbpzglzjdrtwtnfxcwavtypievduf7stz4hxwbq Usqp Cau

Https Encrypted Tbn0 Gstatic Com Images Q Tbn And9gcts2tzzo 57ksbpzglzjdrtwtnfxcwavtypievduf7stz4hxwbq Usqp Cau

48 Migliori Hoverboard Nel 2020 Recensioni Opinioni Prezzi

48 Migliori Hoverboard Nel 2020 Recensioni Opinioni Prezzi

Componenti Tellaboull For Maniglia Di Controllo Stent Di Controllo Manubrio Hoverboard Per 6 5 Pollici 7 Pollici 10 Pollici Scooter Elettrico Auto Bilanciamento Telescopico Sport E Tempo Libero

Componenti Tellaboull For Maniglia Di Controllo Stent Di Controllo Manubrio Hoverboard Per 6 5 Pollici 7 Pollici 10 Pollici Scooter Elettrico Auto Bilanciamento Telescopico Sport E Tempo Libero

Quale Impianto Fotovoltaico Scegliere Per L Auto Elettrica Prezzi E Kw

Quale Impianto Fotovoltaico Scegliere Per L Auto Elettrica Prezzi E Kw

48 Migliori Hoverboard Nel 2020 Recensioni Opinioni Prezzi

48 Migliori Hoverboard Nel 2020 Recensioni Opinioni Prezzi

Wingsmoto Kit Cavi Di Ricambio Per Hoverboard Cavo Caricabatterie E Cavo Interruttore Di Alimentazione Amazon It Sport E Tempo Libero

Wingsmoto Kit Cavi Di Ricambio Per Hoverboard Cavo Caricabatterie E Cavo Interruttore Di Alimentazione Amazon It Sport E Tempo Libero

Maxfind Sostituzione Hoverboard Gyro Main Pcb System Main Board Motherboard Gyro Repair Kit Universale Per 6 5 8 10 Pollici Smart Scooter Amazon It Sport E Tempo Libero

Maxfind Sostituzione Hoverboard Gyro Main Pcb System Main Board Motherboard Gyro Repair Kit Universale Per 6 5 8 10 Pollici Smart Scooter Amazon It Sport E Tempo Libero

Il Miglior Hoverboard Per Tutti 2020 Quale Scegliere Mondoprezzo

Il Miglior Hoverboard Per Tutti 2020 Quale Scegliere Mondoprezzo

Hoverboard Motore Si Inceppa Elettronica Generica Plc Forum

Hoverboard Motore Si Inceppa Elettronica Generica Plc Forum

Diagram Schema Elettrico Circuiteria Di Controllo Spina Mennekes Diagram Full Version Hd Quality Mennekes Diagram 121284 Diagram Moto Cicli It

Diagram Schema Elettrico Circuiteria Di Controllo Spina Mennekes Diagram Full Version Hd Quality Mennekes Diagram 121284 Diagram Moto Cicli It

Balancing Li Ion Li Polymer Batteries Battery Balancing Circuit 12v Li Ion Balancer Pi Battery Charger Circuit Electronics Projects Electronic Circuit Projects

Balancing Li Ion Li Polymer Batteries Battery Balancing Circuit 12v Li Ion Balancer Pi Battery Charger Circuit Electronics Projects Electronic Circuit Projects

Rcb Scooter Elettrico Da 6 5 Pollici Con Led Bluetooth Su Ruote Brillante Auto Bilanciamento 6 5 Lampeggianti Bluetooth Per Adulti E Bambini Regalo Di Natale Ilmonopattinoelettrico Com

Rcb Scooter Elettrico Da 6 5 Pollici Con Led Bluetooth Su Ruote Brillante Auto Bilanciamento 6 5 Lampeggianti Bluetooth Per Adulti E Bambini Regalo Di Natale Ilmonopattinoelettrico Com

Random Posts

  • Schema Elettrico Citofono Bpt Vecchio Modello
  • Wiring Diagram Sistem Ac Mobil
  • Elektrische Schaltplaene R129
  • Wiring Diagram Buku Panduan Speedometer Koso Rx2n Replika
  • Elektrischer Schaltplan Zt 300