Schema Elettrico Lampadina H4

Connettore Ceramico Per Lampadine H4 Rbh003 Ebay

Connettore Ceramico Per Lampadine H4 Rbh003 Ebay

Quando Il Kit Headlight Non Converte La Luce Soluzione

Quando Il Kit Headlight Non Converte La Luce Soluzione

H4 1 Connettore Connessione H4 Kit Led Xenon Alogeno Lampade Lampadine E Gadget

H4 1 Connettore Connessione H4 Kit Led Xenon Alogeno Lampade Lampadine E Gadget

Gs E Le Lampadine Alogene

Gs E Le Lampadine Alogene

Home

Home

Fari A Led Funzionamento E Regolazione Hella

Fari A Led Funzionamento E Regolazione Hella

Cavo Connettore Ricambio Lampada H4 Attacco Cablaggio Auto Moto 3 Poli Ebay

Cavo Connettore Ricambio Lampada H4 Attacco Cablaggio Auto Moto 3 Poli Ebay

H4 Rele Cablaggio Sistema 2 Faro Lampadina Fix Luce Fioca Amazon It Auto E Moto

H4 Rele Cablaggio Sistema 2 Faro Lampadina Fix Luce Fioca Amazon It Auto E Moto

Sigle Attacchi Lampadine Auto La Guida Completa Veicolux It

Sigle Attacchi Lampadine Auto La Guida Completa Veicolux It

Trade Shop Traesio Coppia Lampade Led Fari Ricambio Kit H4 6000k G5 4000 Lumen Kit Canbus 40w Eprice

Trade Shop Traesio Coppia Lampade Led Fari Ricambio Kit H4 6000k G5 4000 Lumen Kit Canbus 40w Eprice

48 Migliori Lampade H4 Led Auto Nel 2020 Recensioni Opinioni Prezzi

48 Migliori Lampade H4 Led Auto Nel 2020 Recensioni Opinioni Prezzi

Sezione Tecnica Di Www Transalp It Fanale Anteriore

Sezione Tecnica Di Www Transalp It Fanale Anteriore

Fari A Led Funzionamento E Regolazione Hella

Fari A Led Funzionamento E Regolazione Hella

Nuova Pagina 0

Nuova Pagina 0

Coppia Di Lampade A Led 1 C6 H4 6000k E 1 C6 H7 6000k Luce Bianca X Tmax 500 530 D Ascone Motors

Coppia Di Lampade A Led 1 C6 H4 6000k E 1 C6 H7 6000k Luce Bianca X Tmax 500 530 D Ascone Motors

Fare Circuito Lampada A Led Su Mezzi Senza Batteria Motomotor It

Fare Circuito Lampada A Led Su Mezzi Senza Batteria Motomotor It

2p Autoparts Prodotto 12342proqc1 Lampada Auto Philips H4 12v 60 50w P43t Philips Impianto Elettrico Luci Lampadine E Indicatori 12342proqc1

2p Autoparts Prodotto 12342proqc1 Lampada Auto Philips H4 12v 60 50w P43t Philips Impianto Elettrico Luci Lampadine E Indicatori 12342proqc1

Bes 10165 Luci Fari E Lampadine Auto Beselettronica Coppia Lampade Auto H4 2 35w Lampadine Xenon Luce Fredda Fari Moto Macchina

Bes 10165 Luci Fari E Lampadine Auto Beselettronica Coppia Lampade Auto H4 2 35w Lampadine Xenon Luce Fredda Fari Moto Macchina

2 Lampade H4 Bixenon 6000k Ricambio X Kit Xenon Cablaggio Rele Collegamento Ebay

2 Lampade H4 Bixenon 6000k Ricambio X Kit Xenon Cablaggio Rele Collegamento Ebay

Lampadina Faro 12v H4 Attacco H4 Cad

Lampadina Faro 12v H4 Attacco H4 Cad

Fiat Punto Fix 1 Come Cambiare I Connettori Delle Lampadine H4 Youtube

Fiat Punto Fix 1 Come Cambiare I Connettori Delle Lampadine H4 Youtube

Kit Lampadine Led H4 2pz 6500k 9 32v 20w Pilot Tuttauto Autoricambi

Kit Lampadine Led H4 2pz 6500k 9 32v 20w Pilot Tuttauto Autoricambi

Fanali Africa Twin

Fanali Africa Twin

Kit Lampade Full Led Fiat Panda H4 Nuova 169 A Santeramo In Colle Kijiji Annunci Di Ebay

Kit Lampade Full Led Fiat Panda H4 Nuova 169 A Santeramo In Colle Kijiji Annunci Di Ebay

Osram Lampadina Auto Proiettori Cool Blue H4 12 V Obi

Osram Lampadina Auto Proiettori Cool Blue H4 12 V Obi

Le 8 Migliori Lampade H4 Led Per Auto Ecco Quale Scegliere Veicolux It

Le 8 Migliori Lampade H4 Led Per Auto Ecco Quale Scegliere Veicolux It

Cablaggio Indipendente Rele Stabilizzatore H4 Bixenon Led Mauro Mania

Cablaggio Indipendente Rele Stabilizzatore H4 Bixenon Led Mauro Mania

H4 Fanale Per Faro Anteriore Lampadina Rele Cablaggio Kit Cavo Spina Amazon It Auto E Moto

H4 Fanale Per Faro Anteriore Lampadina Rele Cablaggio Kit Cavo Spina Amazon It Auto E Moto

Sourcing Map Connettori Per Fanali Auto Lampadine H4 Pezzi 2 Amazon It Auto E Moto

Sourcing Map Connettori Per Fanali Auto Lampadine H4 Pezzi 2 Amazon It Auto E Moto

Lampadina H4 12v 60 55w

Lampadina H4 12v 60 55w

Invertitore Di Polarita H4

Invertitore Di Polarita H4

2pcs 52w H7 Led Auto Lampadine Del Faro Mini H4 9003 Hb 28000lm Led 4000k Luci Auto Csp Perline Lampada Luci Led Accessori Auto Aliexpress

2pcs 52w H7 Led Auto Lampadine Del Faro Mini H4 9003 Hb 28000lm Led 4000k Luci Auto Csp Perline Lampada Luci Led Accessori Auto Aliexpress

Coppia Di Lampadine Led H1 H4 H7 Auto Luce Bianca 6000k 10000lm Attacco 36 Watt

Coppia Di Lampadine Led H1 H4 H7 Auto Luce Bianca 6000k 10000lm Attacco 36 Watt

Soluzione Definitiva Al Devioluci Che Fonde Defendertricks Com

Soluzione Definitiva Al Devioluci Che Fonde Defendertricks Com

Obi Lampadine Di Ricambio H4 2 Pz Obi

Obi Lampadine Di Ricambio H4 2 Pz Obi

2pcs 100w 8rj H4 Faro Resistenza Di Carico Led Canbus Auto Nebbia Lampade Decoder Avviso Di Errore Di Resistenza Accessori Per Luci Auto Aliexpress

2pcs 100w 8rj H4 Faro Resistenza Di Carico Led Canbus Auto Nebbia Lampade Decoder Avviso Di Errore Di Resistenza Accessori Per Luci Auto Aliexpress

Home

Home

Easyelettronica Lampade Led Fari Ricambio Auto H4 Led 3200 Lumen 6000k 12v 24v 40w Ventola Eprice

Easyelettronica Lampade Led Fari Ricambio Auto H4 Led 3200 Lumen 6000k 12v 24v 40w Ventola Eprice

2p Autoparts Prodotto 12342rvs2 Lampada Auto Philips H4 Racing Vision Special 12v 60 55w P43t 38 Philips Impianto Elettrico Luci Lampadine E Indicatori 12342rvs2

2p Autoparts Prodotto 12342rvs2 Lampada Auto Philips H4 Racing Vision Special 12v 60 55w P43t 38 Philips Impianto Elettrico Luci Lampadine E Indicatori 12342rvs2

H4 3 Pins Faro Riparazione Lampadina Titolare Connettore Spina Filo Cablaggio Del Connettore Lampadina Faro Acquistare A Basso Prezzo Nel Negozio Online Joom

H4 3 Pins Faro Riparazione Lampadina Titolare Connettore Spina Filo Cablaggio Del Connettore Lampadina Faro Acquistare A Basso Prezzo Nel Negozio Online Joom

Sostituzione Delle Lampadine In Auto Fai Da Te Istruzioni I Manichini

Sostituzione Delle Lampadine In Auto Fai Da Te Istruzioni I Manichini

Coppia 2 Lampade H4 Led 18 Smd 5050 Luci Xenon 6000k Lampadine A Led 12 Volt Ebay

Coppia 2 Lampade H4 Led 18 Smd 5050 Luci Xenon 6000k Lampadine A Led 12 Volt Ebay

Fari Anabbaglianti E Abbaglianti A Led Electroyou

Fari Anabbaglianti E Abbaglianti A Led Electroyou

Impianto Elettrico Piaggio Cosa Cosaonline

Impianto Elettrico Piaggio Cosa Cosaonline

Lampadine Bruciate Tecnica Generale Telai Grandi Px Pe Rally Ts Sprint Ecc Ecc Forum Vespa Online

Lampadine Bruciate Tecnica Generale Telai Grandi Px Pe Rally Ts Sprint Ecc Ecc Forum Vespa Online

Caccia Al Cortocircuito Con Strumenti Di Fortuna Super Moto Tecnica

Caccia Al Cortocircuito Con Strumenti Di Fortuna Super Moto Tecnica

Creare Impianto Doppio Faro Archivio Er6italia

Creare Impianto Doppio Faro Archivio Er6italia

Invertitore Di Polarita H4 Per Kit Led Amazon It Auto E Moto

Invertitore Di Polarita H4 Per Kit Led Amazon It Auto E Moto

Velidy 2 Pz H4 9003 Ceramic Wire Cablaggio Prese Di Collegamento Per Fari Auto

Velidy 2 Pz H4 9003 Ceramic Wire Cablaggio Prese Di Collegamento Per Fari Auto

Home

Home

Fari Anabbaglianti E Abbaglianti A Led Electroyou

Fari Anabbaglianti E Abbaglianti A Led Electroyou

Kit Lampade Led H4 Phonocar

Kit Lampade Led H4 Phonocar

Lampada H4 Night Racer 50 Accessori E Ricambi Moto

Lampada H4 Night Racer 50 Accessori E Ricambi Moto

Report Montaggio Faro Bi Xenon Su Monster Desmodromico Com

Report Montaggio Faro Bi Xenon Su Monster Desmodromico Com

Caccia Al Cortocircuito Con Strumenti Di Fortuna Super Moto Tecnica

Caccia Al Cortocircuito Con Strumenti Di Fortuna Super Moto Tecnica

Runrain H7 H4 H1 9005 9006 H8 Lampadina Alogena Presa Di Estensione Connettore Presa Presa Adattatore Cablaggio Amazon It Auto E Moto

Runrain H7 H4 H1 9005 9006 H8 Lampadina Alogena Presa Di Estensione Connettore Presa Presa Adattatore Cablaggio Amazon It Auto E Moto

Attacco Per Lampada In Ceramica H4 Per Tutti I Fari Con Lampadina H4 Amazon It Auto E Moto

Attacco Per Lampada In Ceramica H4 Per Tutti I Fari Con Lampadina H4 Amazon It Auto E Moto

Illuminazione Auto Basi E Grandezze Illuminotecniche Hella

Illuminazione Auto Basi E Grandezze Illuminotecniche Hella

Aiuto Xenon H4 Anabb E Abbagliante T Max 2011 Old Forum Tmaxclub Asd

Aiuto Xenon H4 Anabb E Abbagliante T Max 2011 Old Forum Tmaxclub Asd

H4 Fix Luce Fioca Rele Cablaggio System 2 Faro Lampadina Amazon It Auto E Moto

H4 Fix Luce Fioca Rele Cablaggio System 2 Faro Lampadina Amazon It Auto E Moto

Luci Xenon Slim Centraline Lampade Kit Hid H4 3 6000k Bianco 35w Auto Ghiaccio

Luci Xenon Slim Centraline Lampade Kit Hid H4 3 6000k Bianco 35w Auto Ghiaccio

Stabilizzatore Del Regolatore Di Tensione Per Fari H4 Lampadine Auto Moto Lampadina Limitatore Di Prevenzione Delle Ustioni Regolatore Di Amperaggio Per Scooter Per Auto Lunga Durata Amazon It Auto E Moto

Stabilizzatore Del Regolatore Di Tensione Per Fari H4 Lampadine Auto Moto Lampadina Limitatore Di Prevenzione Delle Ustioni Regolatore Di Amperaggio Per Scooter Per Auto Lunga Durata Amazon It Auto E Moto

Lampada Lampadina H4 Ce 100w 12v Gt2i

Lampada Lampadina H4 Ce 100w 12v Gt2i

Trade Shop Traesio Coppia Lampade Led Fari Ricambio Kit H4 6000k G5 4000 Lumen Kit Canbus 40w Eprice

Trade Shop Traesio Coppia Lampade Led Fari Ricambio Kit H4 6000k G5 4000 Lumen Kit Canbus 40w Eprice

Sigle Attacchi Lampadine Auto La Guida Completa Veicolux It

Sigle Attacchi Lampadine Auto La Guida Completa Veicolux It

43 La Migliore Lampade Led H4 Per Auto Omologate In 2020 Secondo Gli Esperti

43 La Migliore Lampade Led H4 Per Auto Omologate In 2020 Secondo Gli Esperti

Kit Per Lampade Fari H4 H5 Fiat 500 F L R A Chieti Kijiji Annunci Di Ebay

Kit Per Lampade Fari H4 H5 Fiat 500 F L R A Chieti Kijiji Annunci Di Ebay

Le 8 Migliori Lampade H4 Led Per Auto Ecco Quale Scegliere Veicolux It

Le 8 Migliori Lampade H4 Led Per Auto Ecco Quale Scegliere Veicolux It

Lampadina Hid Xenon H4 12v 5000 K Pilot

Lampadina Hid Xenon H4 12v 5000 K Pilot

Connettore Porta Lampada H4 Cablato Anabbaglianti Fiat Nuova Panda Fari Ceramica Ebay

Connettore Porta Lampada H4 Cablato Anabbaglianti Fiat Nuova Panda Fari Ceramica Ebay

Kit Lampadine Led H4 2pz 6500k 9 32v 20w Pilot Tuttauto Autoricambi

Kit Lampadine Led H4 2pz 6500k 9 32v 20w Pilot Tuttauto Autoricambi

Fari Europei H4 E H1 Club Italiano Delorean

Fari Europei H4 E H1 Club Italiano Delorean

Cablaggio Rele H4 Bixenon Bilampada 12v Xenovision

Cablaggio Rele H4 Bixenon Bilampada 12v Xenovision

Nuova Pagina 0

Nuova Pagina 0

L Autoriparazione Facile Riparare Auto Elettrodomestici In Tempo Di Crisi Riparazione Fari Anabbaglianti Panda 2a Serie

L Autoriparazione Facile Riparare Auto Elettrodomestici In Tempo Di Crisi Riparazione Fari Anabbaglianti Panda 2a Serie

Forum Vespa Piaggio Vespaforum E Mercatino Di Www Vespaforever Net

Forum Vespa Piaggio Vespaforum E Mercatino Di Www Vespaforever Net

Kit Xenon 35w Con Lampade H4 Can Bus Www Xenite It

Kit Xenon 35w Con Lampade H4 Can Bus Www Xenite It

Kit Lampadine Led H4 2pz 6500k 9 32v 20w Pilot Tuttauto Autoricambi

Kit Lampadine Led H4 2pz 6500k 9 32v 20w Pilot Tuttauto Autoricambi

Fari Europei H4 E H1 Club Italiano Delorean

Fari Europei H4 E H1 Club Italiano Delorean

Coppia Lampade Led Fari Ricambio Auto H4 Led 3200 Lumen 6000k 12v 40w Ventola

Coppia Lampade Led Fari Ricambio Auto H4 Led 3200 Lumen 6000k 12v 40w Ventola

Ring Rbh003 Connettore Ceramico Lampade H4 Amazon It Auto E Moto

Ring Rbh003 Connettore Ceramico Lampade H4 Amazon It Auto E Moto

Http Www Tmaxclub Com Vb Contenuti Doc Dime Doppia Lampada H4 Pdf

Http Www Tmaxclub Com Vb Contenuti Doc Dime Doppia Lampada H4 Pdf

Prolunga Per Cavo Relay E Lampade H4 Con Gommino

Prolunga Per Cavo Relay E Lampade H4 Con Gommino

Impianto Elettrico Semplificato Completo Universale Vm Racing

Impianto Elettrico Semplificato Completo Universale Vm Racing

Spina Flosser Per Lampadine H4 Con Cavi Parte Per Moto E Scooter

Spina Flosser Per Lampadine H4 Con Cavi Parte Per Moto E Scooter

Soluzione Definitiva Al Devioluci Che Fonde Defendertricks Com

Soluzione Definitiva Al Devioluci Che Fonde Defendertricks Com

Modifica Fari H4 Per Honda Africa Twin 750

Modifica Fari H4 Per Honda Africa Twin 750

Tutorial Sostituzione Lampadine H4 T10 Da Alogene A Led Youtube

Tutorial Sostituzione Lampadine H4 T10 Da Alogene A Led Youtube

Lampadina Bianca H4 12v 35 35w Energia Cicli

Lampadina Bianca H4 12v 35 35w Energia Cicli

Lampadina Alogena Bianca P43t H4 12 Volt 60 55 Watt Per Vespa

Lampadina Alogena Bianca P43t H4 12 Volt 60 55 Watt Per Vespa

Le 8 Migliori Lampade H4 Led Per Auto Ecco Quale Scegliere Veicolux It

Le 8 Migliori Lampade H4 Led Per Auto Ecco Quale Scegliere Veicolux It

Fari A Led Funzionamento E Regolazione Hella

Fari A Led Funzionamento E Regolazione Hella

Cablaggio Rele H4 Bixenon Monolampada 12v Xenovision

Cablaggio Rele H4 Bixenon Monolampada 12v Xenovision

Aiuto Xenon H4 Anabb E Abbagliante T Max 2011 Old Forum Tmaxclub Asd

Aiuto Xenon H4 Anabb E Abbagliante T Max 2011 Old Forum Tmaxclub Asd

Cablaggio Bmw R 51 Schema Elettrico Prathibhajewelleryhouse Com

Cablaggio Bmw R 51 Schema Elettrico Prathibhajewelleryhouse Com

Lampada Lampadina H4 130w 12v Gt2i

Lampada Lampadina H4 130w 12v Gt2i

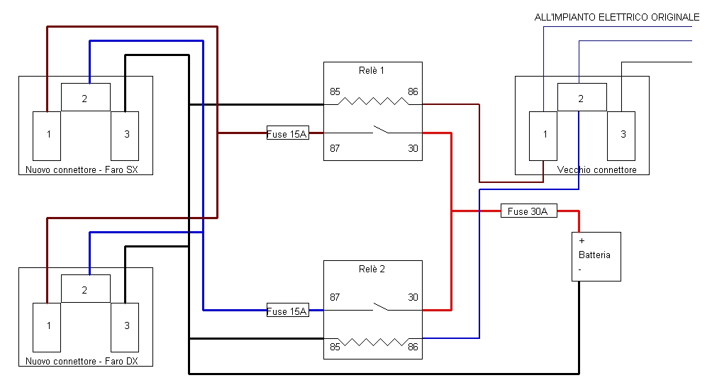
Modifica Doppia Lampada H4 Bixeno Per T Max Tmax Club

Modifica Doppia Lampada H4 Bixeno Per T Max Tmax Club

Modifica Doppia Lampada H4 Bixeno Per T Max By Damiano Pdf Free Download

Modifica Doppia Lampada H4 Bixeno Per T Max By Damiano Pdf Free Download

Kit Xenon H4 Solo Anabbagliante Can Bus Www Xenite It

Kit Xenon H4 Solo Anabbagliante Can Bus Www Xenite It

H4 9003 Cablaggio Rele Alogena Lampada Per Fari Booster Amazon It Auto E Moto

H4 9003 Cablaggio Rele Alogena Lampada Per Fari Booster Amazon It Auto E Moto

Random Posts

  • Elektrisch Schema Huisinstallatie Voorbeeld
  • Nest Thermostat Wiring Diagram 2 Stage Heat Pump
  • Addressable Fire Alarm System Wiring Diagram Pdf
  • 2 Way Dimmer Switch Wiring Diagram
  • Yamaha Warn Winch Wiring Diagram