Schema Elettrico Trasformatore 220v 12v

Illuminazione Led Casa Illuminazione A Led Come Collegare Gli Apparecchi Led

Illuminazione Led Casa Illuminazione A Led Come Collegare Gli Apparecchi Led

Alimentatore Variabile Switching 900 Watt

Alimentatore Variabile Switching 900 Watt

Alimentatore Switching 150w Progetto Completo 2t Forward Elettronica Open Source

Alimentatore Switching 150w Progetto Completo 2t Forward Elettronica Open Source

Collegamento Batteria Alimentatore Pagina 2

Collegamento Batteria Alimentatore Pagina 2

Costruire Un Caricabatteria Per Auto Completamente Automatico

Costruire Un Caricabatteria Per Auto Completamente Automatico

Uso Ed Abuso Del Ir2153 Per Alimentatori Fino A 1 5kw Elettroamici

Uso Ed Abuso Del Ir2153 Per Alimentatori Fino A 1 5kw Elettroamici

Trasformatore Di Isolamento Elettrico 100w Trasformatore Di Isolamento Di Tipo Ei 220v 12v 24v Da 50 Hz Convertitore Trasformatore A Bassa Frequenza 12v Amazon It Commercio Industria E Scienza

Trasformatore Di Isolamento Elettrico 100w Trasformatore Di Isolamento Di Tipo Ei 220v 12v 24v Da 50 Hz Convertitore Trasformatore A Bassa Frequenza 12v Amazon It Commercio Industria E Scienza

38 Migliori Trasformatori Da 220v A 12v Nel 2020 Recensioni Opinioni Prezzi

38 Migliori Trasformatori Da 220v A 12v Nel 2020 Recensioni Opinioni Prezzi

Trasformatore 220v 12v 6w Dc 0 5a Per Profilo Led Integrato Amazon It Illuminazione

Trasformatore 220v 12v 6w Dc 0 5a Per Profilo Led Integrato Amazon It Illuminazione

Alimentatori Schemi Benvenuti Su Officinahf Schema Alimenti Elettronica

Alimentatori Schemi Benvenuti Su Officinahf Schema Alimenti Elettronica

Rele E Trasformatore Per Serratura Elettrica Il Forum Di Electroyou

Rele E Trasformatore Per Serratura Elettrica Il Forum Di Electroyou

Alimentatore

Alimentatore

Impianto Elettrico Ecovip

Impianto Elettrico Ecovip

Schema Elettrico Inverter A Onda Sinusoidale Inverter

Schema Elettrico Inverter A Onda Sinusoidale Inverter

Trasformatore 220v 12v Altro Impianto Elettrico

Trasformatore 220v 12v Altro Impianto Elettrico

Alimentatore Duale 12v Per Total Power Arivigevano

Alimentatore Duale 12v Per Total Power Arivigevano

Schemi

Schemi

Switching Power Supply 20a Alimentatore Switching Dc Dc Push Pull 16v 20a By Roberto Chirio

Switching Power Supply 20a Alimentatore Switching Dc Dc Push Pull 16v 20a By Roberto Chirio

Con 2 12vrgb Offerte Trasformatori E Alimentatori Silamp Controller Dimmer Led 12v Dc Per Strisce Led Rgb Silamp 30mt Controllo Remoto

Con 2 12vrgb Offerte Trasformatori E Alimentatori Silamp Controller Dimmer Led 12v Dc Per Strisce Led Rgb Silamp 30mt Controllo Remoto

Alimentatore Stabilizzato 12v 8a Arivigevano

Alimentatore Stabilizzato 12v 8a Arivigevano

12v 42w 3 5a Trasformatore 220v Trasformatore 230v A 240v Faro G220a G220b G220v Jr International Eclats Antivols

12v 42w 3 5a Trasformatore 220v Trasformatore 230v A 240v Faro G220a G220b G220v Jr International Eclats Antivols

Campanello Di Casa Impianto Elettrico Fai Da Te

Campanello Di Casa Impianto Elettrico Fai Da Te

Collegamento Batteria Alimentatore Pagina 2

Collegamento Batteria Alimentatore Pagina 2

Alimentatore 12v 2a Usato In Italia Vedi Tutte I 41 Prezzi

Alimentatore 12v 2a Usato In Italia Vedi Tutte I 41 Prezzi

Funzionamento Circuito Riduttore Da 220 V Senza Trasformatore Il Forum Di Electroyou

Funzionamento Circuito Riduttore Da 220 V Senza Trasformatore Il Forum Di Electroyou

Trasformatore Di Potenza Singolo Convertitore Di Trasformatore 15w 220v Ingresso 12v 24v Trasformatore Elettrico Regolabile 12v Amazon It Commercio Industria E Scienza

Trasformatore Di Potenza Singolo Convertitore Di Trasformatore 15w 220v Ingresso 12v 24v Trasformatore Elettrico Regolabile 12v Amazon It Commercio Industria E Scienza

Trasformatore Driver Mini Alimentatore Luci Led 4w Da 3v A 12v Ip65 Input 220v Ebay

Trasformatore Driver Mini Alimentatore Luci Led 4w Da 3v A 12v Ip65 Input 220v Ebay

Come Realizzare Un Semplice Inverter

Come Realizzare Un Semplice Inverter

Impianto Elettrico Ecovip

Impianto Elettrico Ecovip

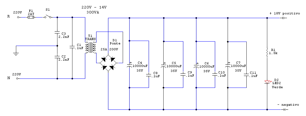
Come Realizzare Lampade 220v 50hz A Led By Roberto Chirio

Come Realizzare Lampade 220v 50hz A Led By Roberto Chirio

Alimentatore Tensione Fissa

Alimentatore Tensione Fissa

Trasformatore 12v Campanello 2 Apriporta A Risparmio Energetico Elettronica Fai Da Te Plc Forum

Trasformatore 12v Campanello 2 Apriporta A Risparmio Energetico Elettronica Fai Da Te Plc Forum

Carica Batterie 12 V Arivigevano

Carica Batterie 12 V Arivigevano

Trasformatore Supplementare 12v 15va Miglior Prezzo Online Su Toolmarket

Trasformatore Supplementare 12v 15va Miglior Prezzo Online Su Toolmarket

Analisi E Progetto Di Alimentatori Senza Trasformatore Transformerless Electroyou

Analisi E Progetto Di Alimentatori Senza Trasformatore Transformerless Electroyou

Hc Lighting Trasformatore Elettronico Ingresso A 220 Volt Uscita 12 Volt Driver Smart Power Supply 60w Amazon It Fai Da Te

Hc Lighting Trasformatore Elettronico Ingresso A 220 Volt Uscita 12 Volt Driver Smart Power Supply 60w Amazon It Fai Da Te

Alimentatore Switching A 12v Ne555

Alimentatore Switching A 12v Ne555

Alimentatori Switching Ebm Pages

Alimentatori Switching Ebm Pages

Alimentatore Switching Spiegato Facile E Dettagliato Youtube

Alimentatore Switching Spiegato Facile E Dettagliato Youtube

Alimentatore Con 7812 E 7805 Elettronica Generica Plc Forum

Alimentatore Con 7812 E 7805 Elettronica Generica Plc Forum

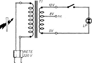
Lampada Di Emergenza Come Costruirla Schema E Circuito Nicola Reat

Lampada Di Emergenza Come Costruirla Schema E Circuito Nicola Reat

Come Costruire Un Alimentatore Stabilizzato Esperimentanda

Come Costruire Un Alimentatore Stabilizzato Esperimentanda

Analisi E Progetto Di Alimentatori Senza Trasformatore Transformerless Electroyou

Analisi E Progetto Di Alimentatori Senza Trasformatore Transformerless Electroyou

38 Migliori Trasformatori Da 220v A 12v Nel 2020 Recensioni Opinioni Prezzi

38 Migliori Trasformatori Da 220v A 12v Nel 2020 Recensioni Opinioni Prezzi

I Migliori Trasformatori Da 220v A 12v Classifica Di Dicembre 2020

I Migliori Trasformatori Da 220v A 12v Classifica Di Dicembre 2020

Trasformatore 12v Campanello 2 Apriporta A Risparmio Energetico Elettronica Fai Da Te Plc Forum

Trasformatore 12v Campanello 2 Apriporta A Risparmio Energetico Elettronica Fai Da Te Plc Forum

Ad Alta Tensione Trasformatore 220v A Ac 12v Trasformatori Elettronici Convertitore Di Tensione 20 60w Di Potenza Intelligente Alimentazione Driver Audio Trasformatori Aliexpress

Ad Alta Tensione Trasformatore 220v A Ac 12v Trasformatori Elettronici Convertitore Di Tensione 20 60w Di Potenza Intelligente Alimentazione Driver Audio Trasformatori Aliexpress

Step Down 12v 5w 220v 450mah

Step Down 12v 5w 220v 450mah

Trasformatori Di Tensione 2

Trasformatori Di Tensione 2

Inverter 12v Dc 220 Ac Da 40 Watt Arivigevano

Inverter 12v Dc 220 Ac Da 40 Watt Arivigevano

Switching Power Supply Atx Come Realizzare Un Sps Da Laboratorio How To Convert A Computer Atx Power Supply To A Laboratory Power Supply Da 1 0v A 15v E Da 0 15a A 15a

Switching Power Supply Atx Come Realizzare Un Sps Da Laboratorio How To Convert A Computer Atx Power Supply To A Laboratory Power Supply Da 1 0v A 15v E Da 0 15a A 15a

Trasformatore Di Potenza 25 W 220 V A 6 V 9 V 12 V 15 V 18 V 24 V 110 V Ac Singolo Doppi Ebay

Trasformatore Di Potenza 25 W 220 V A 6 V 9 V 12 V 15 V 18 V 24 V 110 V Ac Singolo Doppi Ebay

Lavatrice Elettrica Piccolo Trasformatore Quattro Linee Di 220v 12v 150ma Fornello Di Riso Pentola A Pressione Trasformatore Transformer Shockwave Transformers Autobot Optimus Primetransformer Monitor Aliexpress

Lavatrice Elettrica Piccolo Trasformatore Quattro Linee Di 220v 12v 150ma Fornello Di Riso Pentola A Pressione Trasformatore Transformer Shockwave Transformers Autobot Optimus Primetransformer Monitor Aliexpress

Alimentatore Variabile Switching 900 Watt

Alimentatore Variabile Switching 900 Watt

Caricabatteria Impulsivo Per Batterie Al Piombo Ne555

Caricabatteria Impulsivo Per Batterie Al Piombo Ne555

Varie Soluzioni Per Alimentatori Stabilizzati Ne555

Varie Soluzioni Per Alimentatori Stabilizzati Ne555

Switching Power Supply 20a Alimentatore Switching Dc Dc Push Pull 16v 20a By Roberto Chirio

Switching Power Supply 20a Alimentatore Switching Dc Dc Push Pull 16v 20a By Roberto Chirio

Alimentatore Tensione Fissa

Alimentatore Tensione Fissa

Carica Batterie Al Piombo Gel Montaggio

Carica Batterie Al Piombo Gel Montaggio

Trasformatore Wikipedia

Trasformatore Wikipedia

Https Library E Abb Com Public Bddd74512d614463a32baefc21a88ed6 Modular 20din 20rail 20transformers Pdf

Https Library E Abb Com Public Bddd74512d614463a32baefc21a88ed6 Modular 20din 20rail 20transformers Pdf

Come Collegare Una Strip Led A 12v Tramite L Alimentatore Youtube

Come Collegare Una Strip Led A 12v Tramite L Alimentatore Youtube

Concorso Energia In Gioco It

Concorso Energia In Gioco It

Alimentatori Schemi Iz0upss Jimdopage Circuito Elettronico Schema

Alimentatori Schemi Iz0upss Jimdopage Circuito Elettronico Schema

Come Autocostruire Un Inverter Con Il Fai Da Te Schema Di Un Semplice Circuito Elettronico Per Realizzare Un Inverter Da 12 V In Ingresso Consulente Energia Com

Come Autocostruire Un Inverter Con Il Fai Da Te Schema Di Un Semplice Circuito Elettronico Per Realizzare Un Inverter Da 12 V In Ingresso Consulente Energia Com

Alimentatore Variabile Lm317 5a Giuseppe Caccavale

Alimentatore Variabile Lm317 5a Giuseppe Caccavale

Grix It Alimentazione Diretta A 220v Circuito Elettronico Elettronica Schema Elettrico

Grix It Alimentazione Diretta A 220v Circuito Elettronico Elettronica Schema Elettrico

Abbassare La Tensione Con Un Condensatore

Abbassare La Tensione Con Un Condensatore

Trasformatore Di Potenza Elettrica Isolato A Bassa Frequenza Da 25 W 220 V Buck A 12v 24v Regolatore Di Potenza 24v Amazon It Fai Da Te

Trasformatore Di Potenza Elettrica Isolato A Bassa Frequenza Da 25 W 220 V Buck A 12v 24v Regolatore Di Potenza 24v Amazon It Fai Da Te

Come Funziona Un Inverter Schema E Funzionamento

Come Funziona Un Inverter Schema E Funzionamento

Trasformatore Di Potenza Ac 220 V A Doppio Trasformatore Ac 12v Per Scheda Amplificatore A 2 1 Canali 12v 30w Ac 220v To Dual Ac 12v Amazon It Commercio Industria E Scienza

Trasformatore Di Potenza Ac 220 V A Doppio Trasformatore Ac 12v Per Scheda Amplificatore A 2 1 Canali 12v 30w Ac 220v To Dual Ac 12v Amazon It Commercio Industria E Scienza

Alimentatore Variabile Switching 900 Watt

Alimentatore Variabile Switching 900 Watt

Trasformatore 220v 230v Open Frame Trasformatore 3 6va 2 X 6v 300ma Potenza 206003c Jr International Eclats Antivols

Trasformatore 220v 230v Open Frame Trasformatore 3 6va 2 X 6v 300ma Potenza 206003c Jr International Eclats Antivols

Doppia Alimentazione Per Stazione Radio Arivigevano

Doppia Alimentazione Per Stazione Radio Arivigevano

Illuminazione Led Casa Illuminazione A Led Come Collegare Gli Apparecchi Led

Illuminazione Led Casa Illuminazione A Led Come Collegare Gli Apparecchi Led

Alimentatore Tensione Fissa

Alimentatore Tensione Fissa

Grix It Alimentatore Regolabile Stabilizzato 3 25v 12a Con Lm723 Elettronica Schema Elettrico Circuito

Grix It Alimentatore Regolabile Stabilizzato 3 25v 12a Con Lm723 Elettronica Schema Elettrico Circuito

Come Costruire Un Alimentatore

Come Costruire Un Alimentatore

Come Costruire Un Alimentatore Stabilizzato Esperimentanda

Come Costruire Un Alimentatore Stabilizzato Esperimentanda

Alimentatore Variabile Lm317 5a Giuseppe Caccavale

Alimentatore Variabile Lm317 5a Giuseppe Caccavale

Tuttocaravan

Tuttocaravan

I Migliori Trasformatori Da 220v A 12v Classifica Di Dicembre 2020

I Migliori Trasformatori Da 220v A 12v Classifica Di Dicembre 2020

Abbassare La Tensione Con Un Condensatore

Abbassare La Tensione Con Un Condensatore

Tensione Di Uscita Ac 12v 24v 10w Ingresso 220v Trasformatore Di Alimentazione Singola Per Automotive Elettricita 24v Amazon It Fai Da Te

Tensione Di Uscita Ac 12v 24v 10w Ingresso 220v Trasformatore Di Alimentazione Singola Per Automotive Elettricita 24v Amazon It Fai Da Te

Caricabatteria Per Batterie Al Piombo 12v 6v Ne555

Caricabatteria Per Batterie Al Piombo 12v 6v Ne555

Ksr Led 15w Offerte Trasformatori E Alimentatori Silamp Trasformatore Led 15w Alimentatore Led 12v

Ksr Led 15w Offerte Trasformatori E Alimentatori Silamp Trasformatore Led 15w Alimentatore Led 12v

Hobbytron Progetto Di Un Alimentatore Stabilizzato

Hobbytron Progetto Di Un Alimentatore Stabilizzato

Campanello Di Casa Impianto Elettrico Fai Da Te

Campanello Di Casa Impianto Elettrico Fai Da Te

Caricabatteria Intelligente Ed Economico

Caricabatteria Intelligente Ed Economico

Alimentatore 12v 2a 3a 1a Trasformatore 220v 12v Ac Dc Led 12 Volt Adattatore 5a 4a Led Driver 110 V 230 V 240 V Per Striscia Led 12v 1a Eu Plug Amazon It Elettronica

Alimentatore 12v 2a 3a 1a Trasformatore 220v 12v Ac Dc Led 12 Volt Adattatore 5a 4a Led Driver 110 V 230 V 240 V Per Striscia Led 12v 1a Eu Plug Amazon It Elettronica

Come Adattare La Tensione Di Rete How To Adapt The Power Voltage

Come Adattare La Tensione Di Rete How To Adapt The Power Voltage

Alimentatore 12v 410ma Input 110 220v Da Circuito Stampato

Alimentatore 12v 410ma Input 110 220v Da Circuito Stampato

Trasformatore Di Isolamento Elettrico 100w Trasformatore Di Isolamento Di Tipo Ei 220v 12v 24v Da 50 Hz Convertitore Trasformatore A Bassa Frequenza 24v Amazon It Commercio Industria E Scienza

Trasformatore Di Isolamento Elettrico 100w Trasformatore Di Isolamento Di Tipo Ei 220v 12v 24v Da 50 Hz Convertitore Trasformatore A Bassa Frequenza 24v Amazon It Commercio Industria E Scienza

Alimentatore Variabile Switching 900 Watt

Alimentatore Variabile Switching 900 Watt

Switching Power Supply 20a Alimentatore Switching Dc Dc Push Pull 16v 20a By Roberto Chirio

Switching Power Supply 20a Alimentatore Switching Dc Dc Push Pull 16v 20a By Roberto Chirio

Alimentatore Phantom A 220v Dreamvideo

Alimentatore Phantom A 220v Dreamvideo

Trasformatore Wikipedia

Trasformatore Wikipedia

Alimentatore Microset Micro 235 Schema Elettrico E Modifica Electroyou

Alimentatore Microset Micro 235 Schema Elettrico E Modifica Electroyou

Da Alta A Bassa Tensione Senza Trasformatore Ne555

Da Alta A Bassa Tensione Senza Trasformatore Ne555

Come Costruire Un Alimentatore Stabilizzato Esperimentanda

Come Costruire Un Alimentatore Stabilizzato Esperimentanda

Random Posts

  • 36v Schema Cablage Trottinette Electrique
  • Toyota 4k Ignition Coil Wiring Diagram
  • Split Ac Compressor Wiring Diagram
  • Schema Impianto Elettrico Fiat 500 F Epoca
  • Schema Elettrico Impianto Fotovoltaico 3 Kw