Schemas De Cablage Electrique Automobile

Fonctionnement D Une Voiture Electrique Architecture D Une Voiture Electrique

Fonctionnement D Une Voiture Electrique Architecture D Une Voiture Electrique

Fonctionnement D Une Voiture Electrique Architecture D Une Voiture Electrique

Fonctionnement D Une Voiture Electrique Architecture D Une Voiture Electrique

Les 20 Meilleures Images De Electricite Auto En 2020 Electricite Auto Electricite Auto

Les 20 Meilleures Images De Electricite Auto En 2020 Electricite Auto Electricite Auto

Comment Lire Un Schema Electrique

Comment Lire Un Schema Electrique

Https Www Exoco Lmd Com Schemas Et Appareillage Guide Du Schema D Electricite Industrielle Et D Electrotechnique Action Dlattach Attach 8671

Https Www Exoco Lmd Com Schemas Et Appareillage Guide Du Schema D Electricite Industrielle Et D Electrotechnique Action Dlattach Attach 8671

Schema Electronique Automobile Youtube

Schema Electronique Automobile Youtube

Http Aws Cf Caradisiac Com Prod Uploads 200504 Bublle69 1113243303 Schema Anti Brouillard Jpg Electricite Auto Auto Electrique Mecanique Auto

Http Aws Cf Caradisiac Com Prod Uploads 200504 Bublle69 1113243303 Schema Anti Brouillard Jpg Electricite Auto Auto Electrique Mecanique Auto

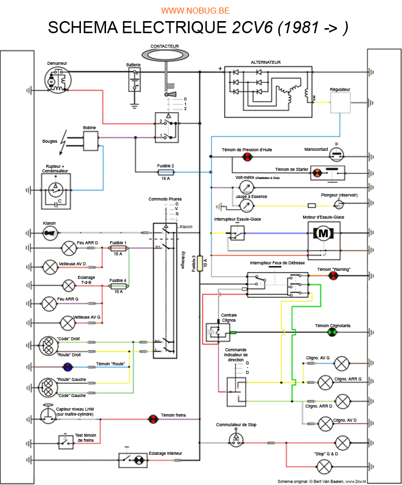
Schema Electrique 2cv6

Schema Electrique 2cv6

Schema De Cablage D Une Automobile Melchior

Schema De Cablage D Une Automobile Melchior

Revue Technique Automobile Mercedes Benz Classe G Legende Du Schema Electrique 200 230 300 Ge Legende Du Schema Electrique

Revue Technique Automobile Mercedes Benz Classe G Legende Du Schema Electrique 200 230 300 Ge Legende Du Schema Electrique

Schemas Electriques

Schemas Electriques

Pdf Cours Sur La Schematisation Electrique Automobile Cours Electricite

Pdf Cours Sur La Schematisation Electrique Automobile Cours Electricite

Revue Technique Automobile Citroen C3 Decoupage De La Fonction En Trois Schemas Schemas Electriques Elements Et Implantations Equipement Electrique

Revue Technique Automobile Citroen C3 Decoupage De La Fonction En Trois Schemas Schemas Electriques Elements Et Implantations Equipement Electrique

Cablage Electrique Dans L Automobile Exemple D Utilisation De Capital Par Navistar Pour L Apres Vente Cadlog

Cablage Electrique Dans L Automobile Exemple D Utilisation De Capital Par Navistar Pour L Apres Vente Cadlog

Schemas De Cablage Electrique Automobile Pour Android Telechargez L Apk

Schemas De Cablage Electrique Automobile Pour Android Telechargez L Apk

Revue Technique Automobile Mercedes Benz Classe G Schema Electrique Climatiseur Equipement Electrique

Revue Technique Automobile Mercedes Benz Classe G Schema Electrique Climatiseur Equipement Electrique

Schemas

Schemas

Le Fonctionnement Du Systeme Electrique Une Voiture

Le Fonctionnement Du Systeme Electrique Une Voiture

Lucas Nulle Cours Bases Electronique Auto Schema Electrique Europe Amerique Du Sud Afrique

Lucas Nulle Cours Bases Electronique Auto Schema Electrique Europe Amerique Du Sud Afrique

Fermeture Motorisee Du Hayon

Fermeture Motorisee Du Hayon

Renault Schemas De Cablage Tous Les Modeles Renault Multilanguage Automobile Hacking

Renault Schemas De Cablage Tous Les Modeles Renault Multilanguage Automobile Hacking

Revue Technique Automobile Mercedes Benz Classe A Schemas Electriques Schemas Electriques Equipement Electrique

Revue Technique Automobile Mercedes Benz Classe A Schemas Electriques Schemas Electriques Equipement Electrique

Pdf Cours Sur La Schematisation Electrique Automobile Cours Electricite

Pdf Cours Sur La Schematisation Electrique Automobile Cours Electricite

Revue Technique Automobile Renault Clio Schema Electrique Chassis Revue Technique Automobile

Revue Technique Automobile Renault Clio Schema Electrique Chassis Revue Technique Automobile

Comment Lire Un Schema Electrique

Comment Lire Un Schema Electrique

Revue Technique Automobile Renault Kangoo Schema Electrique Conditionnement D Air Climatisation

Revue Technique Automobile Renault Kangoo Schema Electrique Conditionnement D Air Climatisation

Symbole Electrique Et Identification Sur Schema Electrique

Symbole Electrique Et Identification Sur Schema Electrique

Revue Technique Automobile Renault Clio Schema Antidemarrage Equipement Electrique Revue Technique Automobile

Revue Technique Automobile Renault Clio Schema Antidemarrage Equipement Electrique Revue Technique Automobile

Le Detail Des Schemas De Renault 2012 2013 Docsity

Le Detail Des Schemas De Renault 2012 2013 Docsity

Schema Electrique Fourgon Et Camping Car 8 Exemples

Schema Electrique Fourgon Et Camping Car 8 Exemples

Application Gratuit Schema Electrique Branchement Cablage Installation Youtube

Application Gratuit Schema Electrique Branchement Cablage Installation Youtube

Dossier Lecture De Schema Electrique Automobile A Partir D Un Ensemble De Schemas Electriques Renault Et Peugeot L Eleve Devra Pdf Telechargement Gratuit

Dossier Lecture De Schema Electrique Automobile A Partir D Un Ensemble De Schemas Electriques Renault Et Peugeot L Eleve Devra Pdf Telechargement Gratuit

Electronique Electricite Schema Elctronique Une Alarme Pour Voiture

Electronique Electricite Schema Elctronique Une Alarme Pour Voiture

Schema Fils Electrique Renault Clio Diesel Auto Evasion Forum Auto

Schema Fils Electrique Renault Clio Diesel Auto Evasion Forum Auto

Dossier Lecture De Schema Electrique Automobile A Partir D Un Ensemble De Schemas Electriques Renault Et Peugeot L Eleve Devra Pdf Telechargement Gratuit

Dossier Lecture De Schema Electrique Automobile A Partir D Un Ensemble De Schemas Electriques Renault Et Peugeot L Eleve Devra Pdf Telechargement Gratuit

Dossier Lecture De Schema Electrique Automobile A Partir D Un Ensemble De Schemas Electriques Renault Et Peugeot L Eleve Devra Pdf Telechargement Gratuit

Dossier Lecture De Schema Electrique Automobile A Partir D Un Ensemble De Schemas Electriques Renault Et Peugeot L Eleve Devra Pdf Telechargement Gratuit

Installation Borne De Recharge Wallbox Prise Electrique Voiture Carplug

Installation Borne De Recharge Wallbox Prise Electrique Voiture Carplug

Schemas De Cablage Electrique Automobile Pour Android Telechargez L Apk

Schemas De Cablage Electrique Automobile Pour Android Telechargez L Apk

Philippe Boursin Pedagogie Electricite Bases

Philippe Boursin Pedagogie Electricite Bases

Pdf Cours Sur La Schematisation Electrique Automobile Cours Electricite

Pdf Cours Sur La Schematisation Electrique Automobile Cours Electricite

Reseau Electrique Schema De Cablage Fils Et Cables Electriques Alimentation Electrique Triphasee Auto Meter Products Inc Angle Fils Electriques Cable Png Pngegg

Reseau Electrique Schema De Cablage Fils Et Cables Electriques Alimentation Electrique Triphasee Auto Meter Products Inc Angle Fils Electriques Cable Png Pngegg

1 Fonctionnement D Un Vehicule Tout Electrique La Voiture Electrique Est Elle Vraiment La Solution Du Futur

1 Fonctionnement D Un Vehicule Tout Electrique La Voiture Electrique Est Elle Vraiment La Solution Du Futur

Forum Electricite Schema Installation D Une Prise De Recharge Pour Vehicule Electrique

Forum Electricite Schema Installation D Une Prise De Recharge Pour Vehicule Electrique

ᐈ Schema Electrique Kia Picanto Player Top

ᐈ Schema Electrique Kia Picanto Player Top

Schema Electrique Console Et Commande

Schema Electrique Console Et Commande

Pdf Cours Complet Sur L Electricite Automobile Etape Par Etape Cours Electricite

Pdf Cours Complet Sur L Electricite Automobile Etape Par Etape Cours Electricite

Apprendre Schema Electrique Pdf Electrique Et Mecanique Diagnostic Automobile Pdf Facebook

Apprendre Schema Electrique Pdf Electrique Et Mecanique Diagnostic Automobile Pdf Facebook

Http Automemo Free Fr Telech Schemas Pdf

Http Automemo Free Fr Telech Schemas Pdf

Revue Technique Automobile Citroen C5 Schema Electrique Eclairage Exterieur Signalisation Citroen C5

Revue Technique Automobile Citroen C5 Schema Electrique Eclairage Exterieur Signalisation Citroen C5

Schema Electrique Fourgon Et Camping Car 8 Exemples

Schema Electrique Fourgon Et Camping Car 8 Exemples

Schema Electrique Pour Eclairage Vehicule Mecanique Electronique Technique Forum Technique Forum Auto

Schema Electrique Pour Eclairage Vehicule Mecanique Electronique Technique Forum Technique Forum Auto

Schema Electrique Rampe De Phares Blog Oreca Store

Schema Electrique Rampe De Phares Blog Oreca Store

Circuit Electrique

Circuit Electrique

Differences Entre Voiture Electrique Voiture Hybride Et Voiture Hydrogene

Differences Entre Voiture Electrique Voiture Hybride Et Voiture Hydrogene

Revue Technique Automobile Renault Kangoo Schema Electrique Conditionnement D Air Climatisation

Revue Technique Automobile Renault Kangoo Schema Electrique Conditionnement D Air Climatisation

Circuits Electriques Schema Cablage Et Branchement De Circuits Domestiques

Circuits Electriques Schema Cablage Et Branchement De Circuits Domestiques

Malachite Gold Le Site Mg De Jp

Malachite Gold Le Site Mg De Jp

A Quoi Sert Un Coupe Circuit Voiture Blog Oreca Store

A Quoi Sert Un Coupe Circuit Voiture Blog Oreca Store

Schema Solenoide Demarreur Electricite Auto Schema Moteur Demarreur

Schema Solenoide Demarreur Electricite Auto Schema Moteur Demarreur

Chargeur De Batterie Voiture Schema De Cablage Fils Electriques Et Alternateur A Cable Voiture Fils Electriques Cable Cable Png Pngegg

Chargeur De Batterie Voiture Schema De Cablage Fils Electriques Et Alternateur A Cable Voiture Fils Electriques Cable Cable Png Pngegg

Fonctionnement D Une Voiture Electrique Architecture D Une Voiture Electrique

Fonctionnement D Une Voiture Electrique Architecture D Une Voiture Electrique

Tesla Revolutionne Le Cablage Electrique De Ses Voitures

Tesla Revolutionne Le Cablage Electrique De Ses Voitures

Cablage Electrique Dans L Automobile Exemple D Utilisation De Capital Par Navistar Pour L Apres Vente Cadlog

Cablage Electrique Dans L Automobile Exemple D Utilisation De Capital Par Navistar Pour L Apres Vente Cadlog

Cable Electrique Moteur De Peche A La Traine Moteur Electrique Schema De Cablage Fil Vehicule Non Automobile Fils Electriques Cable Cable Png Pngegg

Cable Electrique Moteur De Peche A La Traine Moteur Electrique Schema De Cablage Fil Vehicule Non Automobile Fils Electriques Cable Cable Png Pngegg

Telecharger Schemas De Cablage Electrique Automobile Apk Derniere Version Pour Android

Telecharger Schemas De Cablage Electrique Automobile Apk Derniere Version Pour Android

Revue Technique Automobile Citroen C5 Schema Electrique Aas Aide Au Stationnement Citroen C5

Revue Technique Automobile Citroen C5 Schema Electrique Aas Aide Au Stationnement Citroen C5

Apprendre Schema Electrique Pdf Electrique Et Mecanique Diagnostic Automobile Pdf Facebook

Apprendre Schema Electrique Pdf Electrique Et Mecanique Diagnostic Automobile Pdf Facebook

Liste Des Schemas Et Docs Mecanique Et Electrique Pour L Entretien De Vos Voitures

Liste Des Schemas Et Docs Mecanique Et Electrique Pour L Entretien De Vos Voitures

Les Schemas Electriques Le Blog De L Electricite

Les Schemas Electriques Le Blog De L Electricite

ᐈ Schema Electrique Volkswagen Golf 5 Player Top

ᐈ Schema Electrique Volkswagen Golf 5 Player Top

Revue Technique Automobile Mercedes Benz Classe G Schema Electrique Climatiseur Equipement Electrique

Revue Technique Automobile Mercedes Benz Classe G Schema Electrique Climatiseur Equipement Electrique

Kia Sportage Revue Technique Automobile Unite De Charge Electrique Sans Fil Schema Du Circuit Systeme De Charge Electrique Sans Fil

Kia Sportage Revue Technique Automobile Unite De Charge Electrique Sans Fil Schema Du Circuit Systeme De Charge Electrique Sans Fil

ᐈ Schema Electrique Peugeot 4007 Player Top

ᐈ Schema Electrique Peugeot 4007 Player Top

E Car

E Car

Revue Technique Automobile Citroen C5 Schema Electrique Leve Vitres Av Leve Vitres Citroen C5

Revue Technique Automobile Citroen C5 Schema Electrique Leve Vitres Av Leve Vitres Citroen C5

Acheter 10 2 Manuel De Service Vivid Workshop Schema De Cablage Electrique Maintenance Forfait Pour Tous Les Modeles De Voitures De 15 24 Du Auto Obd Tool Dhgate Com

Acheter 10 2 Manuel De Service Vivid Workshop Schema De Cablage Electrique Maintenance Forfait Pour Tous Les Modeles De Voitures De 15 24 Du Auto Obd Tool Dhgate Com

Download Schemas De Cablage Electrique Automobile 2 5 2 38 Apk Android Apkdl In

Download Schemas De Cablage Electrique Automobile 2 5 2 38 Apk Android Apkdl In

Schemas De Cablage Electrique Automobile Pour Android Telechargez L Apk

Schemas De Cablage Electrique Automobile Pour Android Telechargez L Apk

Comment Lire Les Schemas De Cablage Automobile Gamblewiz Com

Comment Lire Les Schemas De Cablage Automobile Gamblewiz Com

Schemas De Cablage Electrique Automobile Pour Android Telechargez L Apk

Schemas De Cablage Electrique Automobile Pour Android Telechargez L Apk

Revue Technique Automobile Peugeot 406 Methodes De Reparation Equipement Electrique Revue Technique Automobile Peu406 Org

Revue Technique Automobile Peugeot 406 Methodes De Reparation Equipement Electrique Revue Technique Automobile Peu406 Org

Http Aws Cf Caradisiac Com Prod Mesimages 358163 Schmacommandeclioxy7 Jpg Electricite Auto Vitre Electrique

Http Aws Cf Caradisiac Com Prod Mesimages 358163 Schmacommandeclioxy7 Jpg Electricite Auto Vitre Electrique

Symbole Schema Electrique Automobile

Symbole Schema Electrique Automobile

Le Relais En Electricite Automobile Droit Et Internet

Le Relais En Electricite Automobile Droit Et Internet

Lecture Schemelecveynes Voiture Electrique Vehicule Electrique

Lecture Schemelecveynes Voiture Electrique Vehicule Electrique

Schemas Electriques Des Renault 4

Schemas Electriques Des Renault 4

Telecharger Electricite Automobile Cours Pdf Pdf Electricite Auto Pdf Pdf Exercices Pdf Com

Telecharger Electricite Automobile Cours Pdf Pdf Electricite Auto Pdf Pdf Exercices Pdf Com

Schema Electrique Fourgon Et Camping Car 8 Exemples

Schema Electrique Fourgon Et Camping Car 8 Exemples

Karma

Karma

Schema Electrique Tracteur Tondeuse Schema Electrique Tracteur Tondeuse Tracteur

Schema Electrique Tracteur Tondeuse Schema Electrique Tracteur Tondeuse Tracteur

Logiciel Pour Realiser Des Schemas Electriques

Logiciel Pour Realiser Des Schemas Electriques

Schema Branchement Electrique Voiture Electrique Enfants Youtube

Schema Branchement Electrique Voiture Electrique Enfants Youtube

Schemas De Cablage Electrique Automobile Pour Android Telechargez L Apk

Schemas De Cablage Electrique Automobile Pour Android Telechargez L Apk

Pour Aide Schema Electrique Pour Inverser Lpolarite Moteur Autres Themes Divers Mecanique Electronique Forum Technique Forum Auto

Pour Aide Schema Electrique Pour Inverser Lpolarite Moteur Autres Themes Divers Mecanique Electronique Forum Technique Forum Auto

Seb01 Schema Electrique De Base 01 Eclairage Tertiaire Et Cao Sous Xrelais Winrelais Youtube

Seb01 Schema Electrique De Base 01 Eclairage Tertiaire Et Cao Sous Xrelais Winrelais Youtube

Commande Par Impulsion Et Auto Maintient D Un Moteur

Commande Par Impulsion Et Auto Maintient D Un Moteur

Schema Electrique De Clim Auto R21 Renault R21 Auto Evasion Forum Auto

Schema Electrique De Clim Auto R21 Renault R21 Auto Evasion Forum Auto

Schema Electrique Simplifie En 2020 Schema Electrique Schema De Cablage Electrique Moto Electrique

Schema Electrique Simplifie En 2020 Schema Electrique Schema De Cablage Electrique Moto Electrique

Revue Technique Automobile Renault Clio Schema Electrique Conditionnement D Air Climatisation Revue Technique Automobile

Revue Technique Automobile Renault Clio Schema Electrique Conditionnement D Air Climatisation Revue Technique Automobile

Electronique Electricite Schema Elctronique Une Alarme Pour Voiture

Electronique Electricite Schema Elctronique Une Alarme Pour Voiture

Random Posts

  • Nissan Navara D40 Rear Light Wiring Diagram
  • 120v Fire Alarm Bell Wiring Diagram
  • Schema Impianto Elettrico Husqvarna Sm 125
  • Elektrischer Schaltplan Wechselschalter
  • Single Phase Direct Online Starter Wiring Diagram