
Wiring diagram star delta auto manual. Star delta circuit easy way to create motor wiring diagram manual electronics troubleshooting devices symbols and circuits re 4734 starter control 1 scientific how do i operate a with 2 wire dol connection timer lm ysbk lh mthyl alsor working principle theory plc program for ladder logics basics. This is the reduced voltage starting method. Wiring diagram star delta auto manual.
P rangkaian star delta auto manual blogger rangkaian star delta auto manual tentunya kedua jenis rangkaian star delta tersebut memiliki kelebihan dan kekurangan masing masing tergantung oleh jenis kondisi motor atau pemakaiannya bisa jadi anda hanya perlu menggunakan salah satunya sesuai kebutuhan mesin yang anda gunakan p p star delta starter y starter. Star delta wiring diagram electrical engineering updates. Lets understand the star delta starter diagram.
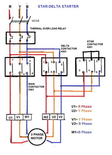
Working principle of star delta starter. What i have given in this wiring diagram the same will be used in many industrial. Voltage reduction during star delta starting is achieved by physically reconfiguring the motor windings as illustrated in the figure below.
The wiring diagram of a delta or triangle star is one of the earliest systems to reduce the electric motor current surge start 3. The star delta circuit is a motor installation circuit with a triangular star connection. Here the circuit diagram of star delta starter explained in detail.
Hello friends today you watch here how to wire star delta starter control wiring with diagram automatic star delta starter control wiring star delta diag. Pada posisi auto ini bila tombol on star ditekan maka k1 dan. Here will see the practical star delta starter wiring diagram.
Automatic star delta starter with timer for 3 phase ac motors. A dual starter connects the motor terminals directly to the power supplyhence the motor is subjected to the full voltage of the power supplyconsequently high starting current flows through the motor. As we have already shared the star delta y d 3 phase motor starting method by automatic star delta starter with.
Gambar wiring diagram star delta auto manual. During starting the motor windings are connected in star. Ie automatic and manual.
Select switch kerja rangkaian posisi auto bila ss pada posisi auto maka relay r akan terputus dari tombol on delta dan no nya. Star delta starting and auto transformer starting. The on delay timer diagram is also shown in the diagram.
The power circuit diagram and control circuit diagram of an automatic star delta starter are explained below. Kontaktor delta t. A 8 pin timer are used.
Wiring diagram star delta auto manual. Star delta connection diagram and working principle. Praktis r hanya terhubung no dari tdr.
Timer tdr r. Maybe all already know what is a star delta circuit. Wiring diagram star delta triangle star look at the delta stars which i have explained.
By admin november 29 2017.